ແຜ່ນມ້ວນສີດໍາ Nickel
        • ແຜ່ນມ້ວນສີດໍາ Nickelແຜ່ນມ້ວນສີດໍາ Nickel
        • ແຜ່ນມ້ວນສີດໍາ Nickelແຜ່ນມ້ວນສີດໍາ Nickel

        ແຜ່ນມ້ວນສີດໍາ Nickel

        ແຫຼ່ງທີ່ທົນທານຂອງ Black Nickel Plating Rolling Nut ອົງປະກອບໂດຍກົງ. ໃນຖານະທີ່ເປັນໂຮງງານຜະລິດແຜ່ນມ້ວນ Nickel ຊັ້ນນໍາຂອງຈີນ, XIAO GUO ຜະລິດຫມາກຖົ່ວທີ່ມີລູກປືນ recirculating ສໍາລັບ friction ຫນ້ອຍ, ຊີວິດຍາວ, ແລະຄວາມສາມາດໃນການໂຫຼດສູງ.

        ສົ່ງສອບຖາມ

        ລາຍ​ລະ​ອຽດ​ຜະ​ລິດ​ຕະ​ພັນ

        ທາງເລືອກທີ່ພົບເລື້ອຍທີ່ສຸດແມ່ນແຜ່ນມ້ວນ Nickel ສີດໍາທີ່ເຮັດດ້ວຍເຫຼັກກາກບອນ.. ມັນມີຄວາມເຂັ້ມແຂງພຽງພໍສໍາລັບວຽກໂລຫະແຜ່ນປົກກະຕິ, ເຊັ່ນ: ການປະກອບເຟີນີເຈີຫຼືການແກ້ໄຂອຸປະກອນຂະຫນາດນ້ອຍ. ເຫຼັກກາກບອນສ່ວນໃຫຍ່ມີແຜ່ນສັງກະສີເພື່ອບໍ່ໃຫ້ເກີດ rust, ເຊິ່ງເຮັດວຽກໄດ້ດີສໍາລັບການນໍາໃຊ້ພາຍໃນເຮືອນຫຼືຈຸດນອກທີ່ປົກຄຸມ.

        ສໍາລັບສະພາບແວດລ້ອມປຽກຫຼືການນໍາໃຊ້ນອກ, ສະແຕນເລດເປັນທາງເລືອກທີ່ດີກວ່າ. ມັນທົນທານຕໍ່ຄວາມຊຸ່ມຊື່ນແລະການກັດກ່ອນ, ເຖິງແມ່ນວ່າຢູ່ໃນພື້ນທີ່ທີ່ມີຄວາມເຄັມເລັກນ້ອຍຢູ່ໃກ້ກັບຊາຍຝັ່ງ. ພວກເຮົາຍັງມີລຸ້ນອາລູມີນຽມສຳລັບຄວາມຕ້ອງການນ້ຳໜັກເບົາ-ສ່ວນຫຼາຍແມ່ນໃຊ້ໃນເຄື່ອງອີເລັກໂທຣນິກ, ເຊິ່ງສ່ວນທີ່ໜັກອາດສົ່ງຜົນກະທົບຕໍ່ການເຮັດວຽກຂອງອຸປະກອນ.

        ວັດສະດຸທັງຫມົດຕອບສະຫນອງມາດຕະຖານອຸດສາຫະກໍາພື້ນຖານ, ບໍ່ມີການປິ່ນປົວທີ່ບໍ່ຈໍາເປັນພິເສດ. ເລືອກເຫຼັກກາກບອນສໍາລັບວຽກງານປະຈໍາວັນ, ສະແຕນເລດສໍາລັບບ່ອນປຽກ, ແລະອາລູມິນຽມສໍາລັບວຽກງານແສງສະຫວ່າງ. ທາງເລືອກວັດສະດຸຂອງ Rolling Nut ຂອງ Black Nickel ກວມເອົາຄວາມຕ້ອງການປະກອບທົ່ວໄປທີ່ສຸດ, ບໍ່ມີ add-ons ທີ່ສວຍງາມພຽງແຕ່ທາງເລືອກປະຕິບັດ.


        ການປິ່ນປົວດ້ານຜະລິດຕະພັນ

        ແຜ່ນສັງກະສີແມ່ນທາງເລືອກທົ່ວໄປທີ່ສຸດ. ມັນເປັນຂະບວນການພື້ນຖານທີ່ຊ່ວຍປ້ອງກັນ rust, ທີ່ດີສໍາລັບການນໍາໃຊ້ພາຍໃນເຮືອນຫຼືຈຸດນອກທີ່ປົກຄຸມ. ມັນບໍ່ເພີ່ມຄວາມຫນາແຫນ້ນ, ດັ່ງນັ້ນມັນຈະບໍ່ມີຜົນກະທົບຕໍ່ວິທີການທີ່ຫມາກແຫ້ງເປືອກແຂງເຂົ້າໄປໃນຮູໂລຫະແຜ່ນໃນລະຫວ່າງການຕິດຕັ້ງ. ແກ່ນໝາກໄມ້ທີ່ໃຊ້ປະຈຳວັນສ່ວນຫຼາຍແມ່ນມາພ້ອມກັບການປິ່ນປົວນີ້.

        ສໍາລັບການຕໍ່ຕ້ານ corrosion ທີ່ດີກວ່າ, ມີການ galvanizing ອາບນ້ໍາຮ້ອນ. ມັນຫນາກວ່າການຊຸບສັງກະສີປົກກະຕິ, ສະນັ້ນມັນຍຶດໄດ້ດົນກວ່າໃນພື້ນທີ່ຊຸ່ມຊື່ນຫຼືບ່ອນທີ່ມີຄວາມຊຸ່ມຊື່ນເລັກນ້ອຍ, ເຊັ່ນ: ໂຮງງານເຮັດວຽກຢູ່ໃກ້ກັບຊາຍຝັ່ງ. ສໍາລັບຫມາກຖົ່ວສະແຕນເລດ, ພວກເຮົາເຮັດການປິ່ນປົວແບບ passivation - ມັນພຽງແຕ່ເພີ່ມຄວາມສາມາດປ້ອງກັນ rust ທໍາມະຊາດຂອງເຂົາເຈົ້າໂດຍບໍ່ມີການປ່ຽນຮູບລັກສະນະຂອງເຂົາເຈົ້າ.

        ບໍ່ມີການເຄືອບ fancy ຢູ່ທີ່ນີ້, ພຽງແຕ່ປະຕິບັດໄດ້. ເລືອກແຜ່ນສັງກະສີສໍາລັບຄວາມຕ້ອງການມາດຕະຖານ, galvanizing ອາບນ້ໍາຮ້ອນສໍາລັບສະພາບແວດລ້ອມທີ່ປຽກ, ແລະ passivation ສໍາລັບແບບສະແຕນເລດ. ການປິ່ນປົວດ້ານຂອງ Black Nickel Plating Rolling Nut ແມ່ນກ່ຽວກັບການປົກປ້ອງພື້ນຖານ, ເຫມາະກັບສະຖານະການປະກອບໂລຫະແຜ່ນທົ່ວໄປທີ່ສຸດ.

        Black Nickel Plating Rolling Nut

        ຊ່ວງຖາມ-ຕອບ

        ຖາມ: ຂ້ອຍສາມາດຕິດຕັ້ງມັນໂດຍບໍ່ມີເຄື່ອງມືມືອາຊີບບໍ?

        A: ບໍ່, ທ່ານຕ້ອງການເຄື່ອງມືກົດພື້ນຖານຫຼືເຄື່ອງ riveting ຂະຫນາດນ້ອຍ. ບໍ່ແນະນໍາການຕີດ້ວຍມື; ມັນຈະທໍາລາຍສາຍຂອງຫມາກແຫ້ງເປືອກແຂງຫຼືເຮັດໃຫ້ມັນຂາດ. ສໍາລັບ batches ຂະຫນາດນ້ອຍ, ເຄື່ອງມືການກົດຄູ່ມືຄູ່ມືເຮັດວຽກ. ສໍາລັບຄໍາສັ່ງຂະຫນາດໃຫຍ່, ເຄື່ອງກົດອັດຕະໂນມັດແມ່ນມີປະສິດທິພາບຫຼາຍຂຶ້ນ. ພວກເຮົາຍັງສາມາດແນະນຳຮູບແບບເຄື່ອງມືທີ່ເໝາະສົມກັບຜະລິດຕະພັນຂອງພວກເຮົາໄດ້ຖ້າທ່ານຍັງບໍ່ມີອັນທີ່ຖືກຕ້ອງ.  

        Black Nickel Plating Rolling Nut



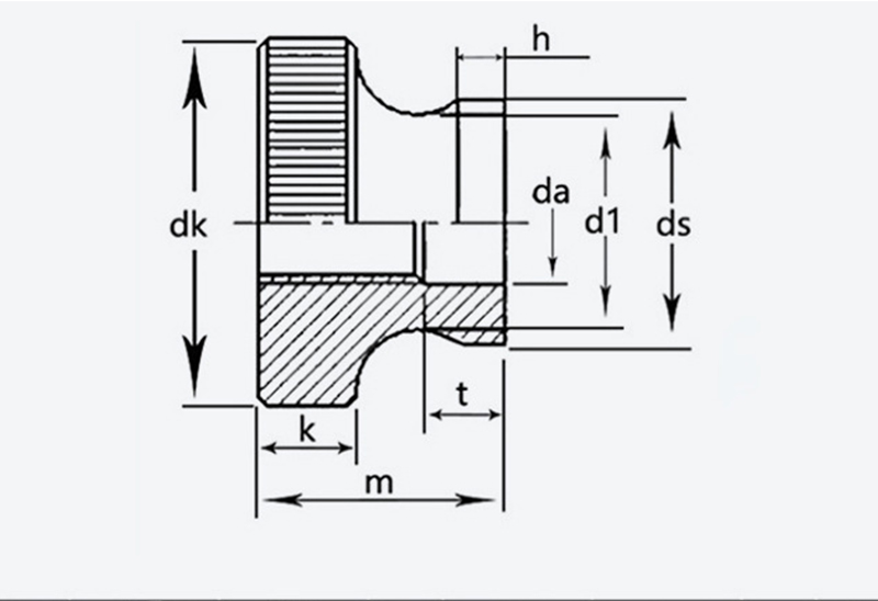
        ຂະໜາດ ສະຫນາມ ເສັ້ນຜ່າສູນກາງນອກ ຄວາມສູງ k ds ດາ d1 T h
        ສູງສຸດ ນາທີ ສູງສຸດ ນາທີ ສູງສຸດ ນາທີ ສູງສຸດ ນາທີ ສູງສຸດ
        M3 0.5  11  10.7  6.64  2.8  5.7  3.5  3.2  5.2  1.2 
        M4 0.7  12  11.7  7.64  7.64  4.5  4.2  6.4  2.5  1.5 
        M5 0.8  16  15.7  10  96.6  10  9.64  5.5  5.5 
        M6 20  19.7  12  11.6  12  11.6  6.56  6.2  11  2.5 
        M8 1.25  24  23.7  16  15.6  16  15.6  8.86  8.5  13 
        M10 1.5 30 29.7 20 19.5 8 20 19.5 10.9 10.5 17.2 6.5 3.8
        Hot Tags: Black Nickel Plating Nut Rolling Nt, ຈີນ, ຜູ້ຜະລິດ, ຜູ້ຜະລິດ, ໂຮງງານຜະລິດ
        ປະເພດທີ່ກ່ຽວຂ້ອງ
        ສົ່ງສອບຖາມ
        ກະລຸນາຮູ້ສຶກວ່າບໍ່ເສຍຄ່າເພື່ອໃຫ້ການສອບຖາມຂອງທ່ານໃນແບບຟອມຂ້າງລຸ່ມນີ້. ພວກເຮົາຈະຕອບກັບທ່ານໃນ 24 ຊົ່ວໂມງ.
        X
        ພວກເຮົາໃຊ້ cookies ເພື່ອສະເຫນີໃຫ້ທ່ານມີປະສົບການການຊອກຫາທີ່ດີກວ່າ, ວິເຄາະການເຂົ້າຊົມເວັບໄຊທ໌ແລະປັບແຕ່ງເນື້ອຫາ. ໂດຍການນໍາໃຊ້ເວັບໄຊທ໌ນີ້, ທ່ານຕົກລົງເຫັນດີກັບການນໍາໃຊ້ cookies ຂອງພວກເຮົາ. ນະໂຍບາຍຄວາມເປັນສ່ວນຕົວ
        ປະຕິເສດ ຍອມຮັບ