ບ້ານ > ຜະລິດຕະພັນ > ໂບ > Bolt ຫົວສີ່ຫລ່ຽມ > ເຫຼັກກາກບອນ Metric Square Bolts ຫົວ
        ເຫຼັກກາກບອນ Metric Square Bolts ຫົວ
        • ເຫຼັກກາກບອນ Metric Square Bolts ຫົວເຫຼັກກາກບອນ Metric Square Bolts ຫົວ
        • ເຫຼັກກາກບອນ Metric Square Bolts ຫົວເຫຼັກກາກບອນ Metric Square Bolts ຫົວ
        • ເຫຼັກກາກບອນ Metric Square Bolts ຫົວເຫຼັກກາກບອນ Metric Square Bolts ຫົວ
        • ເຫຼັກກາກບອນ Metric Square Bolts ຫົວເຫຼັກກາກບອນ Metric Square Bolts ຫົວ
        • ເຫຼັກກາກບອນ Metric Square Bolts ຫົວເຫຼັກກາກບອນ Metric Square Bolts ຫົວ

        ເຫຼັກກາກບອນ Metric Square Bolts ຫົວ

        Carbon Steel Metric Square Head Bolts, ຖືກນໍາໃຊ້ທົ່ວໄປໃນການກໍ່ສ້າງ, ການເຮັດວຽກໄມ້, ແລະການນໍາໃຊ້ເຄື່ອງຈັກທີ່ເກົ່າແກ່, ສະເຫນີໃຫ້ມີຄວາມງາມແບບ vintage ຫຼືຫນັກ. ສໍາລັບXiaoguo® - ຜູ້ສະຫນອງທີ່ມີປະສົບການຂອງ fasteners - ຄຸນນະພາບຜະລິດຕະພັນທີ່ສອດຄ່ອງຂອງ bolts ດັ່ງກ່າວແມ່ນຄວາມມຸ່ງຫມັ້ນຫຼັກ.
        ຕົວແບບ:ASME/ANSI B18.2.1-1-1972

        ສົ່ງສອບຖາມ

        ລາຍ​ລະ​ອຽດ​ຜະ​ລິດ​ຕະ​ພັນ

        Bolts ຫົວເຫຼັກກາກບອນ Metric Square ຖືໄດ້ດີປານໃດສ່ວນໃຫຍ່ແມ່ນຂຶ້ນກັບຊັ້ນວັດສະດຸຂອງມັນ. ເກຣດເຫຼັກກາກບອນທົ່ວໄປແມ່ນ 4.6 (ພວກເຂົາສາມາດເອົາຢ່າງຫນ້ອຍ 400 MPa ເມື່ອດຶງ), 5.6 (500 MPa), 8.8 (800 MPa), 10.9 (1000 MPa), ແລະ 12.9 (1200 MPa).

        ສະແຕນເລດທົ່ວໄປເຊັ່ນ A2-304 ແລະ A4-316 ມີລັກສະນະປະຕິບັດຫຼາຍ - ພວກມັນບໍ່ງ່າຍທີ່ຈະເປັນ rust. ຢ່າງໃດກໍ່ຕາມ, ພວກເຂົາເຈົ້າມີຂໍ້ຈໍາກັດຂະຫນາດນ້ອຍ, ເຊິ່ງແມ່ນວ່າແຮງ tensile ພວກເຂົາສາມາດທົນໄດ້ໂດຍທົ່ວໄປແມ່ນບໍ່ສູງຫຼາຍ, ປົກກະຕິແລ້ວຢູ່ໃນລະດັບຂອງ 500 ຫາ 700 MPa. bolts ຫົວສີ່ຫລ່ຽມ metric ຊັ້ນສູງ (8.8 ແລະສູງກວ່າ) ໄດ້ຖືກປະຕິບັດດ້ວຍຄວາມຮ້ອນເພື່ອເຮັດໃຫ້ພວກມັນແຂງແຮງ.

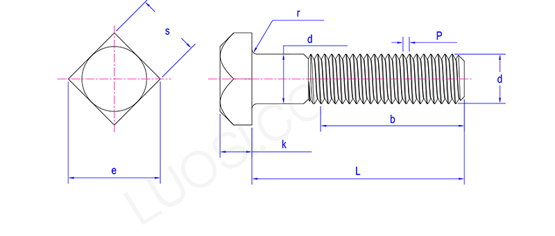
        ຕົວກໍານົດການຜະລິດຕະພັນ

        ຈັນ 3/8 7/16 1/2 5/8 3/4 7/8 1 1-1/8 1-1/4 1-3/8 1-1/2
        P 16|24|32 14|20|28 13|20|28 11|18|24 10|16|20 9|14|20 8|12|20 7|12|18 7|12|18 6|12|18 6|12|18
        ds ສູງສຸດ 0.388 0.452 0.515 0.642 0.768 0.895 1.022 1.149 1.277 1.404 1.531
        ສູງສຸດທີ່ເຄຍ 0.562 0.625 0.75 0.938 1.125 1.312 1.5 1.688 1.875 2.062 2.25
        ວິນາທີ 0.544 0.603 0.725 0.906 1.088 1.269 1.45 1.631 1.812 1.994 2.175
        e ສູງສຸດ 0.795 0.884 1.061 1.326 1.591 1.856 2.121 2.386 2.652 2.917 3.182
        e ນາທີ 0.747 0.828 0.995 1.244 1.494 1.742 1.991 2.239 2.489 2.738 2.986
        k ສູງສຸດ 0.268 0.316 0.348 0.444 0.524 0.62 0.684 0.78 0.876 0.94 1.036
        k ນ 0.232 0.278 0.308 0.4 0.476 0.568 0.628 0.72 0.812 0.872 0.964
        r ສູງສຸດ 0.03 0.03 0.03 0.06 0.06 0.06 0.09 0.09
        0.09
        0.09
        0.09
        r ນາທີ 0.01 0.01
        0.01
        0.02 0.02
        0.02
        0.03 0.03
        0.03
        0.03
        0.03

        Carbon Steel Metric Square Head Bolts


        ລາຍລະອຽດຜະລິດຕະພັນ

        ເພື່ອໃສ່ໃນທໍ່ຫົວເຫຼັກກາກບອນ Metric Square, ທ່ານຕ້ອງການ wrenches ເປີດຂະຫນາດທີ່ເຫມາະສົມ, wrenches ທີ່ສາມາດປັບໄດ້, ຫຼືເຕົ້າສຽບສີ່ຫລ່ຽມພິເສດ. ເຮັດໃຫ້ມັນແຫນ້ນພໍແຕ່ບໍ່ສໍາຄັນຫຼາຍ - ທ່ານຕ້ອງປະຕິບັດຕາມຕົວເລກແຮງບິດທີ່ແນະນໍາ. ເຫຼົ່ານີ້ແມ່ນໄປຕາມເສັ້ນຜ່າສູນກາງຂອງ bolt, ຊັ້ນວັດສະດຸ, pitch thread, ແລະບໍ່ວ່າຈະເປັນ lubricated.

        ສະຖານະການປະຕິບັດງານດ້ານວິສະວະກໍາ (ລາຍລະອຽດເພີ່ມເຕີມ) ຖ້າການເຊື່ອມຕໍ່ບໍ່ເຄັ່ງຄັດຕາມແຮງບິດມາດຕະຖານ (ຫຼື "ຖ້າລະດັບຄວາມແຫນ້ນແຫນ້ນບໍ່ກົງກັບມາດຕະຖານ"), ການເຊື່ອມຕໍ່ອາດຈະວ່າງໃນພາຍຫລັງ, ຮຽກຮ້ອງໃຫ້ມີການກວດກາຂັ້ນສອງແລະການເສີມສ້າງ. ເມື່ອແຮງບິດຂອງສາຍຮັດແໜ້ນເກີນກວ່າຄ່າທີ່ກຳນົດໄວ້, ມັນງ່າຍທີ່ຈະເຮັດໃຫ້ bolt ຢາງຍືດ ຫຼືແຕກໂດຍກົງ. ເພື່ອຮັບປະກັນຄວາມຫມັ້ນຄົງຂອງການເຊື່ອມຕໍ່ແລະປ້ອງກັນຄວາມລົ້ມເຫຼວຂອງ bolt, ເອກະສານແນະນໍາ torque ທີ່ອອກໂດຍຜູ້ຜະລິດຫຼືພະແນກວິສະວະກໍາຕ້ອງໄດ້ຮັບການປະຕິບັດຕາມຢ່າງເຂັ້ມງວດ.

        FAQ

        Q: ຂະຫນາດ wrench ແມ່ນຫຍັງທີ່ຕ້ອງການສໍາລັບການຕິດຕັ້ງ Carbon Steel Metric Square Head Bolts? ມັນເທົ່າກັບຂະຫນາດກະທູ້ບໍ?

        A: ຂະຫນາດຂອງ wrench (ຄວາມກວ້າງໃນທົ່ວພາກສ່ວນຮາບພຽງ) ສໍາລັບ Carbon Steel Metric Square Bolts ຫົວແມ່ນໃຫຍ່ກວ່າເສັ້ນຜ່າສູນກາງຂອງ thread. ສໍາລັບຕົວຢ່າງ, bolt ຫົວມົນທົນ metric ເຊັ່ນ M12 ປົກກະຕິແລ້ວສາມາດໄດ້ຮັບການ tightened ດ້ວຍ wrench 19mm. ແຕ່ຢ່າໃຊ້ມັນໂດຍກົງ. ກ່ອນອື່ນ ໝົດ ທ່ານຕ້ອງປຶກສາກັບຕາຕະລາງຂະຫນາດສະເພາະຂອງ bolt ແລະຊອກຫາ wrench ທີ່ຖືກຕ້ອງກ່ອນທີ່ຈະຕິດຕັ້ງແລະແຫນ້ນມັນ.



        Hot Tags: Carbon Steel Metric Square Head Bolts, ຈີນ, ຜູ້ຜະລິດ, ຜູ້ຜະລິດ, ໂຮງງານຜະລິດ
        ປະເພດທີ່ກ່ຽວຂ້ອງ
        ສົ່ງສອບຖາມ
        ກະລຸນາຮູ້ສຶກວ່າບໍ່ເສຍຄ່າເພື່ອໃຫ້ການສອບຖາມຂອງທ່ານໃນແບບຟອມຂ້າງລຸ່ມນີ້. ພວກເຮົາຈະຕອບກັບທ່ານໃນ 24 ຊົ່ວໂມງ.
        X
        ພວກເຮົາໃຊ້ cookies ເພື່ອສະເຫນີໃຫ້ທ່ານມີປະສົບການການຊອກຫາທີ່ດີກວ່າ, ວິເຄາະການເຂົ້າຊົມເວັບໄຊທ໌ແລະປັບແຕ່ງເນື້ອຫາ. ໂດຍການນໍາໃຊ້ເວັບໄຊທ໌ນີ້, ທ່ານຕົກລົງເຫັນດີກັບການນໍາໃຊ້ cookies ຂອງພວກເຮົາ. ນະໂຍບາຍຄວາມເປັນສ່ວນຕົວ
        ປະຕິເສດ ຍອມຮັບ