ແກ່ນຂອງເຫຼັກທີ່ປະດັບປະດາກາກບອນແມ່ນປະເພດຂອງ fastener ທີ່ໃຊ້ສໍາລັບເຊື່ອມຕໍ່ແຜ່ນບາງໆຫຼືໂລຫະແຜ່ນ. ພວກມັນຖືກເຮັດດ້ວຍເຫຼັກກາກບອນ, ຮ້ອນແລະອອກໄປເພື່ອເພີ່ມຄວາມແຂງ, ແລະຫນ້າດິນແມ່ນມີຄວາມທົນທານ.
ການປະທັບຕາໄຫຼວຽນແມ່ນຂ້ອນຂ້າງກົງໄປກົງມາ, ທ່ານສາມາດໃຊ້ເຄື່ອງມືການປິ່ນປົວໂຣກປອດແຫ້ງຫຼືບົບໄຮໂດຼລິກ. ນີ້ແມ່ນວິທີທີ່ມັນເຮັດວຽກ: ທໍາອິດ, ໃສ່ຫມາກແຫ້ງເປືອກແຂງລົງໃນຂຸມທີ່ກຽມໄວ້ກ່ອນ, ຫຼັງຈາກນັ້ນໃຊ້ແກັດແລະເສຍຊີວິດເພື່ອນໍາໃຊ້ຄວາມກົດດັນ. ການເສຍຊີວິດກົດປຸ່ມໂລຫະປະມານຄໍ Clinch ຂອງ clinch ຂອງ, ປະກອບເປັນລັອກກົນຈັກທີ່ແຂງໃນບາດກ້າວທີ່ລວດໄວ.
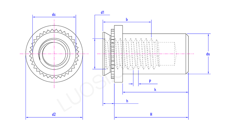
| ມອນ | m3-1 | m3-2 | m4-1 | m4-2 | m5-1 | M5-2 | m6-1 | m6-2 |
| P | 0.5 | 0.5 | 0.7 | 0.7 | 0.8 | 0.8 | 1 | 1 |
| DS Max | 3.84 | 3.84 | 5.2 | 5.2 | 6.35 | 6.35 | 8.75 | 8.75 |
| DC MAX | 4.2 | 4.2 | 5.38 | 5.38 | 6.33 | 6.33 | 8.73 | 8.73 |
| b min | 5.3 | 5.3 | 7.1 | 7.1 | 7.1 | 7.1 | 7.8 | 7.8 |
| h ສູງສຸດ | 0.91 | 1.38 | 0.97 | 1.38 | 0.97 | 1.38 | 1.38 | 1.38 |
| h ສູງສຸດ | 9.85 | 9.85 | 11.45 | 11.45 | 11.45 | 11.45 | 14.55 | 14.55 |
| h min | 9.35 | 9.35 | 10.95 | 10.95 | 10.95 | 10.95 | 14.05 | 14.05 |
| k ສູງສຸດ | 8.5 | 8.5 | 9.8 | 9.8 | 9.8 | 9.8 | 12.7 | 12.7 |
| D2 Max Max | 6.6 | 6.6 | 8.2 | 8.2 | 9 | 9 | 11.35 | 11.35 |
| d2 min | 6.1 | 6.1 | 7.7 | 7.7 | 8.5 | 8.5 | 10.85 | 10.85 |
| d1 | m3 | m3 | M4 | M4 | M5 | M5 | m6 | m6 |
ປະທັບຕາຂອງເຫຼັກທີ່ມີກາກບອນແມ່ນກໍານົດໂດຍການວັດແທກທີ່ສໍາຄັນ: ເສັ້ນຜ່າກາງກະທູ້, ແລະ 1/4), ແລະ Min Minx).
ຄວາມເຂັ້ມແຂງຂອງ Clinch ຂອງພວກເຂົາ (ພວກເຂົາຕ້ານທານກັບການຖືກຍູ້ຫຼືບິດເບືອນ) ໄດ້ຖືກທົດສອບຕໍ່ກັບມາດຕະຖານອຸດສາຫະກໍາ (ຄິດວ່າ ISO, DINI). ການເລືອກຂະຫນາດທີ່ເຫມາະສົມແມ່ນເລື່ອງໃຫຍ່, ມັນຮັບປະກັນວ່າປະທັບຕາຖືແລະຫມາກແຫ້ງເປືອກແຂງພໍສົມຄວນສໍາລັບວຽກ.
ການຕິດຕັ້ງປະທັບຕາຂອງເຫຼັກທີ່ມີກາກບອນທີ່ມີທາດເຫຼັກ, ທ່ານຕ້ອງການເຄື່ອງມືທີ່ມີຄວາມຊ່ຽວຊານແລະເສຍຊີວິດທີ່ກົງກັບຂະຫນາດຂອງຫມາກແຫ້ງເປືອກແຂງ. ຫນ້າທໍາອິດ, ໃສ່ຫມາກແຫ້ງເປືອກແຂງລົງໃນຂຸມທີ່ໃສ່ໃນແຜ່ນໂລຫະ. ຫຼັງຈາກນັ້ນເຄື່ອງມືໃຊ້ຄວາມກົດດັນທີ່ຄວບຄຸມ, ເຊິ່ງເຮັດໃຫ້ການທົດລອງຂອງຫມາກແຫ້ງເປືອກແຂງແລະຈົມລົງໃນໂລຫະອ້ອມຂ້າງ. ຂະບວນການທີ່ເປັນພືດທີ່ເປັນພືດທີ່ເປັນພືດທີ່ມີທາດເຫຼັກສະແຕນເລດໃນສະຖານທີ່ສໍາລັບສິ່ງທີ່ດີແລະໃນເວລາດຽວກັນ, ມັນຈະເຮັດໃຫ້ເຄື່ອງຊັກຜ້າຂອງປະທັບຕາທີ່ຖືກສ້າງຂຶ້ນຕໍ່ກະດານ. ນັ້ນແມ່ນວິທີທີ່ມັນສ້າງປະທັບຕາທີ່ຮົ່ວໄຫຼທີ່ເຮັດໃຫ້ແກ່ນເຫຼົ່ານີ້ເປັນເອກະລັກສະເພາະ.
