ລູກບິດກົມມີແກ່ນມ້ວນຄໍ
      • ລູກບິດກົມມີແກ່ນມ້ວນຄໍລູກບິດກົມມີແກ່ນມ້ວນຄໍ
      • ລູກບິດກົມມີແກ່ນມ້ວນຄໍລູກບິດກົມມີແກ່ນມ້ວນຄໍ

      ລູກບິດກົມມີແກ່ນມ້ວນຄໍ

      ສໍາລັບການເຄື່ອນໄຫວເສັ້ນທີ່ຊັດເຈນ, ເລືອກລູກບິດຮອບແບບພິເສດຂອງ XIAO GUO ທີ່ມີແກ່ນມ້ວນຄໍ. ອອກແບບສໍາລັບ screws ບານ, ມັນຮັບປະກັນການເຄື່ອນໄຫວທີ່ລຽບ, ປະສິດທິພາບສູງ, ເຮັດໃຫ້ພວກເຮົາມີຄວາມໄວ້ວາງໃຈຈີນ Round Knobs ທີ່ມີຄໍ Rolling Nut ຜູ້ສະຫນອງສໍາລັບ CNC ແລະລະບົບອັດຕະໂນມັດ.

      ສົ່ງສອບຖາມ

      ລາຍ​ລະ​ອຽດ​ຜະ​ລິດ​ຕະ​ພັນ

      ທໍາອິດ, ເຈາະຮູໃນໂລຫະແຜ່ນທີ່ກົງກັບ Knobs ຮອບທີ່ມີຂະຫນາດຂອງ Nut Rolling Nut. ຢ່າເຮັດໃຫ້ຂຸມໃຫຍ່ເກີນໄປ - ຖ້າບໍ່ດັ່ງນັ້ນ, ມັນຈະບໍ່ລັອກຢ່າງຖືກຕ້ອງ. ລ້າງອອກ shavings ໂລຫະປະໄວ້ຢູ່ໃນຂຸມ; ພວກເຂົາເຈົ້າອາດຈະໄດ້ຮັບໃນວິທີການຂອງການຕິດຕັ້ງ.

      ຫຼັງຈາກນັ້ນ, ເອົາຫມາກແຫ້ງເປືອກແຂງເຂົ້າໄປໃນຂຸມກ່ອນເຈາະ, ໃຫ້ແນ່ໃຈວ່າມັນຢູ່ກັບແຜ່ນ. ໃຊ້​ເຄື່ອງ​ມື​ກົດ​ມາດ​ຕະ​ຖານ​ທີ່​ມີ​ການ​ຕາຍ​ທີ່​ເຫມາະ​ກັບ​ດ້ານ​ເທິງ​ຂອງ​ຫມາກ​ແຫ້ງ​ເປືອກ​ແຂງ​. ນຳໃຊ້ຢ່າງສະໝໍ່າສະເໝີ, ແມ່ນແຕ່ຄວາມກົດດັນຕໍ່ເຄື່ອງມື—ເຈົ້າຈະຮູ້ສຶກ “ກົດ” ເລັກນ້ອຍ ເມື່ອມັນຖືກລັອກໄວ້. ຖືຄວາມກົດດັນໄວ້ 1-2 ວິນາທີເພື່ອໃຫ້ແນ່ໃຈວ່າມັນປອດໄພ.

      ຫຼີກລ້ຽງການໃຊ້ໄມ້ຄ້ອນຕີ; ນີ້ສາມາດງໍຫມາກແຫ້ງເປືອກແຂງຫຼືທໍາລາຍໂລຫະແຜ່ນ. ມັນໃຊ້ໄດ້ດີທີ່ສຸດໃນແຜ່ນບາງເຖິງຂະຫນາດກາງ (ຫນາ 0.5-2mm). ເມື່ອຕິດຕັ້ງແລ້ວ, ທ່ານສາມາດ screw ໃນ bolt ໄດ້ກ້ຽງໂດຍບໍ່ມີການ spinning ຫມາກແຫ້ງເປືອກແຂງ. ປຸ່ມມ້ວນທີ່ມີຄໍມ້ວນແມ່ນງ່າຍທີ່ຈະໃຊ້ເຖິງແມ່ນວ່າຜູ້ເລີ່ມຕົ້ນ, ບໍ່ຈໍາເປັນຕ້ອງມີທັກສະທີ່ສັບສົນ.

      ການຫຸ້ມຫໍ່ຜະລິດຕະພັນ

      ພວກ​ເຮົາ​ນໍາ​ໃຊ້​ການ​ຫຸ້ມ​ຫໍ່​ງ່າຍ​ດາຍ​, ການ​ປະ​ຕິ​ບັດ​ເພື່ອ​ຮັກ​ສາ​ຫມາກ​ໄມ້​ທີ່​ປອດ​ໄພ​. ສໍາລັບຄໍາສັ່ງຂະຫນາດນ້ອຍຫຼືຕົວຢ່າງ, ພວກມັນຖືກບັນຈຸຢູ່ໃນຖົງຢາງທີ່ຊັດເຈນ - ປົກກະຕິແລ້ວ 100 ຫຼື 200 ຊິ້ນຕໍ່ຖົງ. ແຕ່ລະຖົງມີປ້າຍພື້ນຖານທີ່ມີຂະຫນາດ, ວັດສະດຸ, ແລະຈໍານວນ batch, ດັ່ງນັ້ນທ່ານສາມາດຊອກຫາສິ່ງທີ່ທ່ານຕ້ອງການໄດ້ຢ່າງງ່າຍດາຍ.

      ຄໍາສັ່ງຈໍານວນຫຼາຍເຂົ້າໄປໃນ cartons ແຂງ. ອີງຕາມຂະຫນາດຫມາກແຫ້ງເປືອກແຂງ, ແຕ່ລະກ່ອງຖື 5000 ຫາ 10000 ຊິ້ນ. ພວກເຮົາເອົາໂຟມຫຼືຫໍ່ຟອງພາຍໃນເພື່ອຢຸດພວກມັນຈາກການຂູດຫຼືການເຄື່ອນຍ້າຍໄປມາໃນລະຫວ່າງການຂົນສົ່ງ. cartons ມີເຄື່ອງຫມາຍທີ່ຊັດເຈນສໍາລັບການຈັດການ, ເຊັ່ນ: "ຮັກສາແຫ້ງ" ຫຼື "ບໍ່ມີ stacking ຂອງຫນັກ."

      ຖ້າທ່ານຕ້ອງການການຫຸ້ມຫໍ່ທີ່ກໍາຫນົດເອງ - ເຊັ່ນໂລໂກ້ຂອງທ່ານໃນຖົງຫຼືຈໍານວນສະເພາະຕໍ່ຊອງ - ພຽງແຕ່ແຈ້ງໃຫ້ພວກເຮົາຮູ້ໃນເວລາສັ່ງຊື້. ບໍ່ມີສິ່ງຂອງທີ່ແປກປະຫຼາດພິເສດ, ພຽງແຕ່ສິ່ງທີ່ເຮັດວຽກສໍາລັບການເກັບຮັກສາແລະການຂົນສົ່ງ. ມັນມາໃນທາງເລືອກມາດຕະຖານເຫຼົ່ານີ້, ເຊິ່ງເຫມາະສົມກັບກອງປະຊຸມຂະຫນາດນ້ອຍທີ່ສຸດ, ໂຮງງານໃຫຍ່, ຫຼືຄວາມຕ້ອງການຂອງຜູ້ໃຊ້ DIY.

      Round Knobs With Collar Rolling Nut

      ຊ່ວງຖາມ-ຕອບ

      ຄວາມຫນາຂອງໂລຫະແຜ່ນໃດທີ່ເຫມາະສົມສໍາລັບ Knobs ມ້ວນທີ່ມີຄໍມ້ວນ?  

      A: ມັນເຮັດວຽກທີ່ດີທີ່ສຸດກ່ຽວກັບໂລຫະແຜ່ນບາງເຖິງຂະຫນາດກາງ, ມີລະດັບຄວາມຫນາຂອງ 0.5mm ຫາ 2.5mm. ໂລຫະທີ່ຫນາເກີນໄປຈະບໍ່ປ່ອຍໃຫ້ມັນລັອກຢ່າງຖືກຕ້ອງ, ແລະບາງເກີນໄປອາດຈະຜິດປົກກະຕິໃນລະຫວ່າງການຕິດຕັ້ງ. ວັດສະດຸທົ່ວໄປເຊັ່ນ: ເຫຼັກມ້ວນເຢັນ, ອາລູມິນຽມ, ແລະແຜ່ນສະແຕນເລດແມ່ນເຫມາະສົມທັງຫມົດ. ພຽງແຕ່ໃຫ້ແນ່ໃຈວ່າຂະຫນາດຂຸມກ່ອນເຈາະແມ່ນກົງກັບເສັ້ນຜ່າກາງນອກຂອງຫມາກແຫ້ງເປືອກແຂງ - ພວກເຮົາສາມາດສະຫນອງຕາຕະລາງຂະຫນາດຖ້າທ່ານຕ້ອງການສໍາລັບການອ້າງອີງ.  

      Round Knobs With Collar Rolling Nut

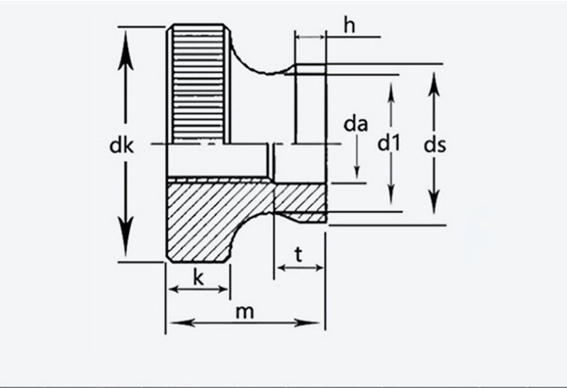
      ຂະໜາດ ສະຫນາມ ເສັ້ນຜ່າສູນກາງນອກ ຄວາມສູງ k ds ດາ d1 T h
      ສູງສຸດ ນາທີ ສູງສຸດ ນາທີ ສູງສຸດ ນາທີ ສູງສຸດ ນາທີ ສູງສຸດ
      M3 0.5  11  10.7  6.64  2.8  5.7  3.5  3.2  5.2  1.2 
      M4 0.7  12  11.7  7.64  7.64  4.5  4.2  6.4  2.5  1.5 
      M5 0.8  16  15.7  10  96.6  10  9.64  5.5  5.5 
      M6 20  19.7  12  11.6  12  11.6  6.56  6.2  11  2.5 
      M8 1.25  24  23.7  16  15.6  16  15.6  8.86  8.5  13 
      M10 1.5 30 29.7 20 19.5 8 20 19.5 10.9 10.5 17.2 6.5 3.8
      Hot Tags: Round Knobs With Collar Rolling Nt, ຈີນ, ຜູ້ຜະລິດ, ຜູ້ຜະລິດ, ໂຮງງານຜະລິດ
      ປະເພດທີ່ກ່ຽວຂ້ອງ
      ສົ່ງສອບຖາມ
      ກະລຸນາຮູ້ສຶກວ່າບໍ່ເສຍຄ່າເພື່ອໃຫ້ການສອບຖາມຂອງທ່ານໃນແບບຟອມຂ້າງລຸ່ມນີ້. ພວກເຮົາຈະຕອບກັບທ່ານໃນ 24 ຊົ່ວໂມງ.
      X
      We use cookies to offer you a better browsing experience, analyze site traffic and personalize content. By using this site, you agree to our use of cookies. Privacy Policy
      Reject Accept