ພັບຂະຫຍາຍຕົວເອງ. ໃນລະຫວ່າງການຕິດຕັ້ງ, ໂດຍການເຮັດໃຫ້ຫມາກແຫ້ງເປືອກແຂງ, ມົດສະກູຈະຂັບໄລ່ທໍ່ການຂະຫຍາຍເພື່ອຂະຫຍາຍອອກພາຍໃນຮູຢູ່ໃນຫນ້າເບື່ອຫລືພື້ນຖານອື່ນໆ.
	
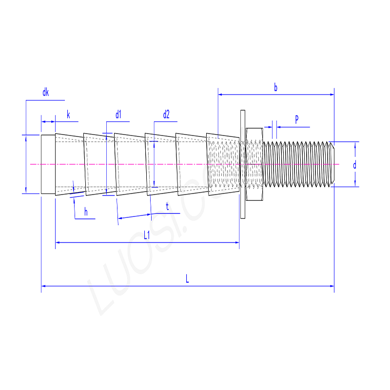
| ມອນ | m6 | m8 | M10 | m12 | m16 | m20 | m22 | M24 | 
| P | 1 | 1.25 | 1.5 | 1.75 | 2 | 2.5 | 2.5 | 3 | 
| dk max | 10 | 12 | 14 | 16 | 20 | 24 | 26 | 28 | 
| DK Min | 9 | 11 | 13 | 15 | 19 | 23 | 25 | 27 | 
| l1 | 45 | 60 | 70 | 75 | 100 | 125 | 150 | 180 | 
| k | 5 | 5 | 5 | 5 | 5 | 5 | 5 | 5 | 
| d1 | 9.8 | 11.8 | 13.8 | 15.8 | 19.8 | 23.8 | 25.8 | 27.8 | 
| d2 | 6.2 | 8.2 | 10.2 | 12.2 | 16.2 | 20.2 | 22.2 | 24.2 | 
| h | 0.6 | 0.8 | 0.8 | 0.8 | 0.9 | 1 | 1 | 1.2 | 
| t | 10 | 12 | 12 | 14 | 14 | 16 | 16 | 20 | 
| L | 65 | 85 | 100 | 110 | 150 | 200 | 250 | 300 | 
	
ໄລປະຕູການຂະຫຍາຍຕົວເອງສາມາດເຮັດໃຫ້ວັດຖຸກີດຂວາງຢູ່ໃນໂຄງສ້າງທີ່ມີຊີມັງຫລື masonry. ທ່ານພຽງແຕ່ຕ້ອງການເຈາະຮູ, ໃສ່ໄລປະຕູແລະຫຼັງຈາກນັ້ນໃຫ້ແຫນ້ນແກ່ນ. ໃນເວລາທີ່ແຫນ້ນ, ກະແສຕົວຂອງມັນເອງຈະຂະຫຍາຍພາຍໃນຂຸມ. ປົກກະຕິແລ້ວມັນໄດ້ຖືກສ້າງຕັ້ງຂຶ້ນໂດຍການດຶງໂກນເຂົ້າໄປໃນເສອແຂນ, ເຮັດໃຫ້ພື້ນຖານການສ້າງລັອກກົນຈັກແລະການແກ້ໄຂມັນໃຫ້ແຫນ້ນ.
	
ການຕິດຕັ້ງໂບຂະຫນານ erphoring ຂອງຕົນເອງແມ່ນງ່າຍດາຍຫຼາຍ: ເຈາະຮູທີ່ມີຂະຫນາດທີ່ຖືກຕ້ອງ, ຖອດຖັງໃສ່, ແລະຫຼັງຈາກນັ້ນແຫນ້ນແກ່ນດ້ວຍ wrench. ໃນລະຫວ່າງຂະບວນການ tighting, ກົນໄກການຂະຫຍາຍແມ່ນຖືກບັງຄັບໃຫ້ເປີດແລະຈັບເອົາເອກະສານພື້ນຖານ. ນີ້ແມ່ນ "ຕິດຕັ້ງໂດຍກົງ" ແລະຂະບວນການທີ່ແຫນ້ນຫນາທີ່ສາມາດບັນລຸການແກ້ໄຂທີ່ຫນັກແຫນ້ນ.
	
ຍົກຕົວຢ່າງ, ແກ້ໄຂວົງເລັບໃສ່ຝາຊີມັງ, ແກ້ໄຂພື້ນຖານກົນຈັກໃຫ້ພື້ນເຮືອນ, ແກ້ໄຂເສັ້ນລວດຫລືແກ້ໄຂຖັນໃຫ້ເປັນພື້ນຖານ. ພວກມັນມີຄວາມເຫມາະສົມສູງສໍາລັບການປະຕິບັດງານຫນັກໃນລະບົບສີມັງ, ແຂງແຮງ.
	
BOLTS A ຂະຫຍາຍຕົວເອງມີການດັດແປງທີ່ເຂັ້ມແຂງ. ມັນມີຄວາມສາມາດປັບຕົວໄດ້ກັບເຮືອບິນຖານທີ່ແຕກຕ່າງກັນ. ບໍ່ວ່າຈະເປັນກໍາແພງຊີມັງ, ຝາຜະຫນັງຫຼືບາງໂຄງສ້າງໄມ້, ຕາບໃດທີ່ມີຮູທີ່ເຫມາະສົມ, ມັນສາມາດຫລີ້ນໄດ້ດີຫຼາຍ. ຍິ່ງໄປກວ່ານັ້ນ, ມັນມາໃນສະເພາະທີ່ແຕກຕ່າງກັນ. ອີງຕາມຄວາມຮຽກຮ້ອງຕ້ອງການຕິດຕັ້ງຕົວຈິງແລະສະພາບຂອງພື້ນຖານ, ຂະຫນາດທີ່ເຫມາະສົມສາມາດເລືອກໄດ້ເພື່ອຕອບສະຫນອງສະຖານະການການຕິດຕັ້ງຕ່າງໆ.
	