T Style Weld ແກ່ນມີປະເພດ 1A
        • T Style Weld ແກ່ນມີປະເພດ 1AT Style Weld ແກ່ນມີປະເພດ 1A
        • T Style Weld ແກ່ນມີປະເພດ 1AT Style Weld ແກ່ນມີປະເພດ 1A

        T Style Weld ແກ່ນມີປະເພດ 1A

        ແກ່ນການເຊື່ອມໂລຫະແບບ T ທີ່ມີປະເພດ 1A ຖືກອອກແບບໂດຍສະເພາະສໍາລັບການເຊື່ອມໂລຫະແລະປະຕິບັດຕາມຂໍ້ກໍາຫນົດ 1A, ຮັບປະກັນຄວາມແຫນ້ນຫນາ. ເຫມາະສໍາລັບກອບໂລຫະ, ສະຫນັບສະຫນູນຫຼືອຸປະກອນກົນຈັກ, ການອອກແບບ T-shaped ຊ່ວຍປະຫຍັດພື້ນທີ່. ໂຮງງານXiaoguo®ມີຈໍານວນສິນຄ້າຈໍານວນຫລາຍໃນຫຼັກຊັບ.ພວກເຮົາຍັງສາມາດປັບແຕ່ງແລະສະຫນອງຜະລິດຕະພັນທີ່ຕອບສະຫນອງຄວາມຕ້ອງການສະເພາະ.
        ຕົວແບບ:JIS B1196-3.1-2001

        ສົ່ງສອບຖາມ

        ລາຍ​ລະ​ອຽດ​ຜະ​ລິດ​ຕະ​ພັນ

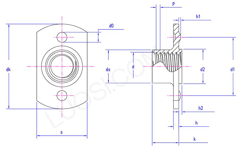
        ແກ່ນການເຊື່ອມໂລຫະແບບ T ທີ່ມີປະເພດ 1A ມີຮູບຮ່າງຄ້າຍກັບຕົວອັກສອນ "T", ມີສ່ວນທີ່ເປັນຮູບທໍ່ກົມຢູ່ດ້ານລຸ່ມ. ມີ protrusions ຂະຫນາດນ້ອຍຈໍານວນຫນຶ່ງກ່ຽວກັບ flange, ເຊິ່ງໄດ້ຖືກອອກແບບໂດຍສະເພາະສໍາລັບການເຊື່ອມໂລຫະ. ຂໍ້ກໍາຫນົດກະທູ້ທົ່ວໄປມີຕັ້ງແຕ່ M4 ຫາ M12.

        ຕົວກໍານົດການຜະລິດຕະພັນ

        T style weld nuts with type 1A parameter

        ຈັນ
        M4 M5 M6 M8 M10 M12
        P
        0.7 0.8 1 1|1.25 1.25|1.5 1.25|1.75
        dk ສູງສຸດ
        20.5 20.5 23.7 23.7 31 33.2
        dk ນາທີ
        19.5 19.5 22.3 22.3 29 30.8
        ສູງສຸດທີ່ເຄຍ
        12.25 12.25 14.3 14.3 19.4 21.5
        ວິນາທີ
        11.75 11.75 13.7 13.7 18.6 20.5
        ds ສູງສຸດ
        5.9 6.7 8.3 10.2 13.2 15.2
        dວິນາທີ
        5.4 6.2 7.8 9.5 12.5 14.5
        k ສູງສຸດ
        5.9 6.9 7.5 9 10.6 11.8
        k ນ
        5.1 6.1 6.5 8 9.4 10.2
        h ສູງສຸດ
        1.4 1.4 1.85 1.85 2.3 2.3
        h ນທ
        1 1 1.35 1.35 1.7 1.7
        d2 ສູງສຸດ
        6.9 6.9 8.9 10.9 12.9 14.9
        d2 ນທ
        6.7
        6.7
        8.7
        10.7
        12.7
        14.7
        h2 ສູງສຸດ
        0.8 0.8
        0.8
        0.8
        1.2 1.2
        h2 ນທ
        0.6 0.6
        0.6
        0.6
        1 1
        d0 ສູງສຸດ
        3.25 3.25
        3.25
        3.25
        4.05 4.05
        d0 ນທ
        2.75 2.75
        2.75
        2.75
        3.55 3.55
        h1 ສູງສຸດ
        0.6 0.6
        0.6
        0.6
        0.7 0.7
        h1 ນທ
        0.4 0.4
        0.4
        0.4
        0.5
        0.5
        d1 ສູງສຸດ
        15.2 15.2
        17.25 17.25 22.3 24.3
        d1 ນທ
        14.8 14.8 16.75 16.75 21.7 23.7

        ຄຸນນະສົມບັດຜະລິດຕະພັນແລະການຕິດຕັ້ງ

        ແກ່ນການເຊື່ອມໂລຫະແບບ T ທີ່ມີປະເພດ 1A ມີໂຄງສ້າງຮູບຊົງ T ທີ່ໂດດເດັ່ນ. flange ສາມາດເພີ່ມພື້ນທີ່ຕິດຕໍ່ກັບແຜ່ນໂລຫະ, ແຈກຢາຍຄວາມກົດດັນ, ແລະເຮັດໃຫ້ການເຊື່ອມໂລຫະມີຄວາມປອດໄພຫຼາຍຂຶ້ນ. ຂະຫນາດແລະຄວາມສູງຂອງການເຊື່ອມໂລຫະ protrusions ສຸດ flange ແມ່ນຄືກັນ, ແລະການໃຫ້ຄວາມຮ້ອນແມ່ນເປັນເອກະພາບໃນລະຫວ່າງການຂະບວນການເຊື່ອມ. ຄວາມຖືກຕ້ອງຂອງກະທູ້ຂອງມັນແມ່ນສູງ. ເມື່ອສະລັອດຖືກ screwed ໃນ, ມັນມີຄວາມຮູ້ສຶກກ້ຽງຫຼາຍໂດຍບໍ່ມີການ jamming ຫຼື loosening.

        T style weld nuts with type 1A

        ແກ່ນການເຊື່ອມໂລຫະປະເພດ 1A T ຖືກຕັ້ງຊື່ຕາມຮູບຮ່າງຂອງພວກມັນ: ຮ່າງກາຍຂອງໝາກແຫ້ງເປືອກແຂງເປັນຮູບສີ່ຫຼ່ຽມມົນແມ່ນຕິດຢູ່ເທິງແຜ່ນຮອງສີ່ຫຼ່ຽມມຸມສາກ (ແປນ). ປະເພດ 1A ຊີ້ໃຫ້ເຫັນວ່າມັນຖືກອອກແບບມາສໍາລັບການເຊື່ອມໂລຫະອາກ (MIG ຫຼື TIG) ຮອບຂອບຂອງ flange. ການອອກແບບຮູບຮ່າງ 'T' ຊ່ວຍໃຫ້ທ່ານສາມາດຈັດວາງຮູ threaded ໃນສະຖານທີ່ທີ່ຕ້ອງການ, ເຖິງແມ່ນວ່າຢູ່ໃກ້ກັບຂອບທີ່ບໍ່ສາມາດຕິດຕັ້ງຫມາກແຫ້ງເປືອກແຂງສູນກາງ, ແລະມັນສາມາດບັນລຸໄດ້ຢ່າງງ່າຍດາຍ.

        ການຕິດຕັ້ງແກ່ນການເຊື່ອມໂລຫະແບບ T ຂອງປະເພດ 1A ຫມາຍເຖິງການປະຕິບັດການເຊື່ອມໂລຫະຕາມຂອບຂອງແຜ່ນມຸມສາກ. ພື້ນຖານຫມາກແຫ້ງເປືອກແຂງປະເພດ 1A ແມ່ນແປແລະບໍ່ມີຮູຫຼື protrusions. ທ່ານສາມາດນໍາໃຊ້ MIG ຫຼື TIG ເພື່ອສ້າງລູກປັດເຊື່ອມຢ່າງຕໍ່ເນື່ອງຕາມຂອບ flange. fusion ໂດຍລວມທີ່ດີແມ່ນສໍາຄັນເພາະວ່ານີ້ແມ່ນວິທີດຽວທີ່ຈະແກ້ໄຂ flange. ກະລຸນາເຮັດຄວາມສະອາດໂລຫະຢ່າງລະອຽດກ່ອນ.

        ແກ່ນການເຊື່ອມໂລຫະປະເພດ 1A T ແມ່ນລາຄາແພງກວ່າປົກກະຕິຫມາກແຫ້ງເປືອກແຂງ. ທ່ານຈະຕ້ອງຈ່າຍສໍາລັບການປຸງແຕ່ງຮູບຮ່າງຂອງ flange ແລະວັດສະດຸເພີ່ມເຕີມ. ພວກເຂົາເຈົ້າຍັງໃຊ້ເວລາຕໍ່ໄປອີກແລ້ວທີ່ຈະ welded ຢ່າງຖືກຕ້ອງປະມານ flange ໄດ້. ໂດຍສະເພາະໃນເວລາທີ່ຕໍາແຫນ່ງ thread ຕ້ອງໄດ້ຮັບການຊົດເຊີຍ, ໃຊ້ພວກມັນ; ຖ້າບໍ່ດັ່ງນັ້ນ, ຫມາກໄມ້ມາດຕະຖານອາດຈະຖືກກວ່າ.

        Hot Tags: T Style Weld Nuts With Type 1A, ຈີນ, ຜູ້ຜະລິດ, ຜູ້ຜະລິດ, ໂຮງງານຜະລິດ
        ປະເພດທີ່ກ່ຽວຂ້ອງ
        ສົ່ງສອບຖາມ
        ກະລຸນາຮູ້ສຶກວ່າບໍ່ເສຍຄ່າເພື່ອໃຫ້ການສອບຖາມຂອງທ່ານໃນແບບຟອມຂ້າງລຸ່ມນີ້. ພວກເຮົາຈະຕອບກັບທ່ານໃນ 24 ຊົ່ວໂມງ.
        X
        ພວກເຮົາໃຊ້ cookies ເພື່ອສະເຫນີໃຫ້ທ່ານມີປະສົບການການຊອກຫາທີ່ດີກວ່າ, ວິເຄາະການເຂົ້າຊົມເວັບໄຊທ໌ແລະປັບແຕ່ງເນື້ອຫາ. ໂດຍການນໍາໃຊ້ເວັບໄຊທ໌ນີ້, ທ່ານຕົກລົງເຫັນດີກັບການນໍາໃຊ້ cookies ຂອງພວກເຮົາ. ນະໂຍບາຍຄວາມເປັນສ່ວນຕົວ
        ປະຕິເສດ ຍອມຮັບ