ບ້ານ > ຜະລິດຕະພັນ > ຕາບນວກສະໄລ > screws ອື່ນໆ > Screw Flange 12 ຈຸດທີ່ມີ shank ຫຼຸດລົງ
        Screw Flange 12 ຈຸດທີ່ມີ shank ຫຼຸດລົງ
        • Screw Flange 12 ຈຸດທີ່ມີ shank ຫຼຸດລົງScrew Flange 12 ຈຸດທີ່ມີ shank ຫຼຸດລົງ
        • Screw Flange 12 ຈຸດທີ່ມີ shank ຫຼຸດລົງScrew Flange 12 ຈຸດທີ່ມີ shank ຫຼຸດລົງ
        • Screw Flange 12 ຈຸດທີ່ມີ shank ຫຼຸດລົງScrew Flange 12 ຈຸດທີ່ມີ shank ຫຼຸດລົງ

        Screw Flange 12 ຈຸດທີ່ມີ shank ຫຼຸດລົງ

        screw flange 12 ຈຸດທີ່ມີ shank ຫຼຸດລົງແມ່ນເຫມາະສົມສູງສໍາລັບຄໍາຮ້ອງສະຫມັກທີ່ຕ້ອງການ fixation ແຫນ້ນແຕ່ຍັງຕ້ອງການທີ່ຈະຫຼຸດຜ່ອນຄວາມຫນາຂອງວັດສະດຸ. ທ່ານສາມາດຄວບຄຸມແຮງບິດໄດ້ດີກວ່າ, ສະນັ້ນມັນຈະບໍ່ເລື່ອນອອກໃນເວລາທີ່ເຄັ່ງຄັດ. ບໍ​ລິ​ສັດ Xiaoguo® ສະ​ຫນອງ​ການ​ແກ້​ໄຂ​ປະ​ຕິ​ບັດ​.

        ສົ່ງສອບຖາມ

        ລາຍ​ລະ​ອຽດ​ຜະ​ລິດ​ຕະ​ພັນ

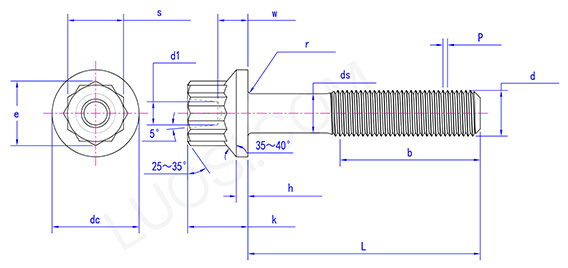
        screw flange 12 ຈຸດທີ່ມີ shank ຫຼຸດລົງຫົວມີ 12 ມຸມ. ແຜ່ນ flange ຂ້າງລຸ່ມນີ້ແມ່ນຄ້າຍຄື gasket, ເພີ່ມພື້ນທີ່ຕິດຕໍ່ກັບວັດສະດຸທີ່ເຊື່ອມຕໍ່. ສ່ວນ rod ບາງໆຢູ່ເຄິ່ງກາງມີເສັ້ນຜ່າກາງຂະຫນາດນ້ອຍກວ່າເມື່ອທຽບກັບ rods screw ທໍາມະດາແລະຖືກນໍາໃຊ້ໃນບາງສະຖານະການສະເພາະ.

        ຕົວກໍານົດການຜະລິດຕະພັນ

        ຈັນ #10
        P 32
        d1 0.1
        dc 0.375
        ds ສູງສຸດ 0.171
        ds ນາທີ 0.161
        e 0.278
        h ສູງສຸດ 0.05
        h ນທ 0.04
        k 0.26
        r ນາທີ 0.015
        r ສູງສຸດ 0.025
        ສູງສຸດທີ່ເຄຍ 0.251
        ວິນາທີ 0.243
        w 0.13

        ຄຸນສົມບັດ

        screw flange ຫົວ 12 ຈຸດນີ້ສາມາດຖືກນໍາໃຊ້ສໍາລັບການຕິດຕັ້ງປັ໊ມໄຮໂດຼລິກ. ປັ໊ມທີ່ມີຄວາມກົດດັນສູງອາດຈະສັ່ນສະເທືອນ, ເຮັດໃຫ້ປ່ຽງການຕິດຕັ້ງຖືກພວນ. ການອອກແບບຕົວຈັບສັ້ນຂອງມັນສາມາດດູດຊຶມການສັ່ນສະເທືອນຂອງຄໍ. ການປະທັບຕາຂອງ flange ສາມາດປ້ອງກັນການຮົ່ວໄຫຼຂອງນ້ໍາມັນແລະບໍ່ຮຽກຮ້ອງໃຫ້ມີ gasket ແຍກຕ່າງຫາກ. bolts ມາດຕະຖານຈະແຕກພາຍໃນສອງສາມເດືອນ, ໃນຂະນະທີ່ bolts ເຫຼົ່ານີ້ສາມາດທົນທານຕໍ່ຫຼາຍກ່ວາ 10,000 ຊົ່ວໂມງຂອງການດໍາເນີນງານ.

        screw flange 12 ຈຸດທີ່ມີ shank ຫຼຸດລົງສາມາດຖືກນໍາໃຊ້ສໍາລັບການເຊື່ອມຕໍ່ອອກ manifold. manifold turbine ອາດຈະແຕກຢູ່ທີ່ຮູ bolt ເນື່ອງຈາກຄວາມກົດດັນຄວາມຮ້ອນ. ພວກເຂົາສາມາດແກ້ໄຂບັນຫານີ້ໄດ້. ກ້ານສະກູສາມາດງໍໄດ້ໃນລະຫວ່າງວົງຈອນຄວາມຮ້ອນທີ່ 800 ° C ເພື່ອປ້ອງກັນການກະດູກຫັກຂອງຄວາມກົດດັນ. ໃນເວລາທີ່ disassembling, ມັນທົນທານຕໍ່ rust ຫຼາຍກ່ວາຫົວ hexagonal. ໃຫ້ແນ່ໃຈວ່າໃຊ້ສານຕ້ານການຍຶດຂອງ nickel. ຊີວິດການບໍລິການຂອງມັນແມ່ນສອງເທົ່າຂອງ bolts ທໍາມະດາ.

        ເຫຼົ່ານີ້ screws flange ຫົວ 12 ຈຸດສາມາດຫຼຸດຜ່ອນນ້ໍາຫນັກ. ພາກສ່ວນແຄບຢູ່ລຸ່ມກະທູ້ສາມາດຫຼຸດຜ່ອນການສູນເສຍວັດສະດຸໂດຍບໍ່ມີການເສຍສະລະຄວາມເຂັ້ມແຂງ. ມັນ ເໝາະ ສົມທີ່ສຸດ ສຳ ລັບແອັບພລິເຄຊັນທີ່ມີນ້ ຳ ໜັກ ເຊັ່ນ: ກະດານເຮືອບິນຫຼືລົດແຂ່ງ. Flanges ຍັງສາມາດຖືກນໍາໃຊ້ເປັນ gaskets ກໍ່ສ້າງໃນ.

        ຂໍ້ໄດ້ປຽບ

        screw flange ຫົວ 12 ຈຸດທີ່ມີ shank ຫຼຸດລົງມີຜົນບັງຄັບໃຊ້ fastening ທີ່ເຂັ້ມແຂງ. ມັນສາມາດທົນກັບແຮງບິດຂະຫນາດໃຫຍ່ໃນເວລາທີ່ເຄັ່ງຄັດ. ດ້ວຍແຜ່ນ flange ເພີ່ມທະວີການ friction, ມັນຍັງມີຄວາມຫຍຸ້ງຍາກຫຼາຍທີ່ຈະ loosen ໃນສະພາບແວດລ້ອມ vibrating. ມັນໄດ້ຫຼຸດຜ່ອນອັນຕະລາຍດ້ານຄວາມປອດໄພແລະຄວາມລົ້ມເຫຼວຂອງອຸປະກອນທີ່ເກີດຈາກການວ່າງ. ຍິ່ງໄປກວ່ານັ້ນ, ໃນລະຫວ່າງການຕິດຕັ້ງ, ການອອກແບບ rod ບາງເຮັດໃຫ້ມັນຜ່ານວັດສະດຸບາງໆຫຼືຂຸມຂະຫນາດນ້ອຍໄດ້ງ່າຍຂຶ້ນໂດຍບໍ່ຈໍາເປັນຕ້ອງໃຊ້ reaming ຫນັກແຫນ້ນ. ມັນງ່າຍທີ່ຈະປະຕິບັດງານແລະປະຫຍັດເວລາແລະກໍາລັງຄົນ.

        12 Point Flange Screw With Reduced Shank

        Hot Tags: Screw Flange 12 ຈຸດທີ່ມີການຫຼຸດຜ່ອນ Shank, ຈີນ, ຜູ້ຜະລິດ, ຜູ້ສະຫນອງ, ໂຮງງານຜະລິດ
        ປະເພດທີ່ກ່ຽວຂ້ອງ
        ສົ່ງສອບຖາມ
        ກະລຸນາຮູ້ສຶກວ່າບໍ່ເສຍຄ່າເພື່ອໃຫ້ການສອບຖາມຂອງທ່ານໃນແບບຟອມຂ້າງລຸ່ມນີ້. ພວກເຮົາຈະຕອບກັບທ່ານໃນ 24 ຊົ່ວໂມງ.
        X
        ພວກເຮົາໃຊ້ cookies ເພື່ອສະເຫນີໃຫ້ທ່ານມີປະສົບການການຊອກຫາທີ່ດີກວ່າ, ວິເຄາະການເຂົ້າຊົມເວັບໄຊທ໌ແລະປັບແຕ່ງເນື້ອຫາ. ໂດຍການນໍາໃຊ້ເວັບໄຊທ໌ນີ້, ທ່ານຕົກລົງເຫັນດີກັບການນໍາໃຊ້ cookies ຂອງພວກເຮົາ. ນະໂຍບາຍຄວາມເປັນສ່ວນຕົວ
        ປະຕິເສດ ຍອມຮັບ