Captive Spring Screw
        • Captive Spring ScrewCaptive Spring Screw
        • Captive Spring ScrewCaptive Spring Screw
        • Captive Spring ScrewCaptive Spring Screw
        • Captive Spring ScrewCaptive Spring Screw
        • Captive Spring ScrewCaptive Spring Screw

        Captive Spring Screw

        screw ພາກຮຽນ spring Captive ເປັນ screw ວ່າງ, ບໍ່ສາມາດຖອດອອກໄດ້ທີ່ຕິດຕັ້ງໂດຍການບີບອັດຫຼືຂະຫຍາຍ riveting ເພື່ອສ້າງການເຊື່ອມຕໍ່ທີ່ປອດໄພ. Xiaoguo®ເປັນຜູ້ຜະລິດທີ່ເຊື່ອຖືໄດ້ທີ່ສະຫນອງຂະຫນາດ fastener ມາດຕະຖານແລະຍັງສາມາດຜະລິດຂະຫນາດທີ່ກໍາຫນົດເອງ.

        ສົ່ງສອບຖາມ

        ລາຍ​ລະ​ອຽດ​ຜະ​ລິດ​ຕະ​ພັນ

        ໄຊຊະນະທີ່ໃຫຍ່ທີ່ສຸດດ້ວຍສະກູພາກຮຽນ spring captive ແມ່ນພວກເຂົາຮັກສາຂໍ້ຕໍ່ແຫນ້ນ. ນັ້ນຫມາຍຄວາມວ່າຄວາມລົ້ມເຫລວຫນ້ອຍລົງ, ອຸປະກອນທີ່ປອດໄພກວ່າ, ການແກ້ໄຂສິ່ງຂອງ downtime ຫນ້ອຍ, ແລະຜະລິດຕະພັນທີ່ພຽງແຕ່ເຮັດວຽກໄດ້ດີກວ່າສໍາລັບດົນກວ່າ.


        ສະກູເຫຼົ່ານີ້ກິນການສັ່ນສະເທືອນແລະຈັດການການປ່ຽນແປງຄວາມຮ້ອນຫຼືການປ່ຽນແປງວັດສະດຸ, ສິ່ງທີ່ເຮັດໃຫ້ screws ປົກກະຕິ. ພວກເຂົາເຈົ້າຍັງເຮັດໃຫ້ການປະກອບງ່າຍນັບຕັ້ງແຕ່ທ່ານມັກຈະຂ້າມ lockwashers ຫຼື threadlocker, ຕັດລົງບັນຊີລາຍຊື່ພາກສ່ວນຂອງທ່ານ. screws ພາກຮຽນ spring ຕ້ານການ loosening ສາມາດຖືກນໍາໃຊ້ສໍາລັບວຽກງານ fastening ມີຄວາມຫຍຸ້ງຍາກ.


        ສະກູສະແຕນຈັບຈັບສະກູລວມການຍຶດຂອງສະກູກັບຄວາມສາມາດໃນການຖືຄວາມກົດດັນຂອງພາກຮຽນ spring. ຜະລິດຈາກສິ່ງທີ່ຍາກ, ມີຢູ່ໃນຂະຫນາດ / ຂໍ້ມູນຈໍາເພາະ, ແລະມັກຈະມີການເຄືອບເພື່ອຕ້ານ rust, ພວກມັນແຂງເພື່ອປ້ອງກັນການສັ່ນສະເທືອນແລະຄວາມເມື່ອຍລ້າຂອງໂລຫະ.

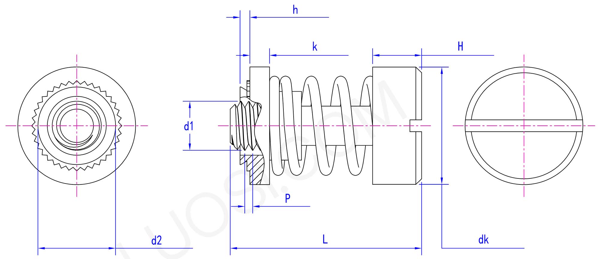
        ຕົວກໍານົດການຜະລິດຕະພັນ

        ຈັນ 440 632 832 032 0420
        P 40 32 32 32 20
        d1 #4 #6 #8 #10 1/4
        d2 ສູງສຸດ 0.202 0.218 0.249 0.311 0.374
        dk ສູງສຸດ 0.416 0.448 0.478 0.54 0.635
        dk ນາທີ 0.396 0.428 0.458 0.52 0.615
        h ສູງສຸດ 0.058 0.058 0.058 0.058 0.058
        k ສູງສຸດ 0.128 0.128 0.128 0.12 0.148
        k ນ 0.118 0.118 0.118 0.11 0.138
        H ສູງສຸດ 0.207 0.207 0.212 0.225 0.247
        H ນທ 0.197 0.197 0.202 0.237 0.237

        ເຈົ້າຈະພົບເຫັນພວກມັນຢູ່ໃນຍົນ, ລົດ, ໂຮງງານຜະລິດ, ແລະອຸປະກອນຕ່າງໆ, ທຸກບ່ອນທີ່ຕ້ອງຖືກລັອກໃນສະພາບແວດລ້ອມທີ່ຫຍຸ້ງຍາກ. ນັ້ນບອກທ່ານວ່າພວກມັນເປັນກຸນແຈສຳຄັນໃນການຮັກສາສິ່ງຕ່າງໆໃຫ້ປອດໄພ, ປອດໄພ, ແລະທົນທານ. ສະກູພາກຮຽນ spring ແມ່ນການແກ້ໄຂການປະຕິບັດສໍາລັບອຸປະກອນທີ່ທັນສະໄຫມທີ່ບໍ່ສາມາດທົນກັບການສັ່ນສະເທືອນທີ່ຮ້າຍແຮງ.

        Captive Spring Screw

        ຊຸດ

        Q: ຈະຫຸ້ມຫໍ່ແນວໃດເພື່ອປ້ອງກັນຄວາມເສຍຫາຍໃນລະຫວ່າງການຂົນສົ່ງລະຫວ່າງປະເທດ?

        A: ພວກເຮົາຫຸ້ມຫໍ່ screw ພາກຮຽນ spring captive ມາຮອດຢ່າງປອດໄພ. ໂດຍປົກກະຕິແລ້ວ, ພວກເຮົາເອົາພວກມັນໃສ່ໃນຖົງຢາງທີ່ຜະນຶກເຂົ້າກັນພາຍໃນກ່ອງເຈ້ຍແຂງ. ບາງຄັ້ງພວກເຮົາຖິ້ມໃນແຜ່ນແບ່ງຫຼື padding ເພື່ອປ້ອງກັນບໍ່ໃຫ້ tangling ຫຼື scratching ໃນລະຫວ່າງການຂົນສົ່ງ.


        ຄໍາສັ່ງທີ່ໃຫຍ່ກວ່າແມ່ນມາຢູ່ໃນມ້ວນຫຼືມ້ວນພາດສະຕິກແບບກໍານົດເອງ. ໃນກໍລະນີໃດກໍ່ຕາມ, ການຫຸ້ມຫໍ່ຂອງພວກເຮົາແມ່ນທົນທານ, ທົນທານຕໍ່ຄວາມຊຸ່ມຊື່ນ, ແລະທົນທານຕໍ່ອາການຊ໊ອກ, ປ້ອງກັນຄວາມເສຍຫາຍໃນລະຫວ່າງການຂົນສົ່ງ.

        Hot Tags: Captive Spring Screw, ຈີນ, ຜູ້ຜະລິດ, ຜູ້ສະຫນອງ, ໂຮງງານຜະລິດ
        ປະເພດທີ່ກ່ຽວຂ້ອງ
        ສົ່ງສອບຖາມ
        ກະລຸນາຮູ້ສຶກວ່າບໍ່ເສຍຄ່າເພື່ອໃຫ້ການສອບຖາມຂອງທ່ານໃນແບບຟອມຂ້າງລຸ່ມນີ້. ພວກເຮົາຈະຕອບກັບທ່ານໃນ 24 ຊົ່ວໂມງ.
        X
        ພວກເຮົາໃຊ້ cookies ເພື່ອສະເຫນີໃຫ້ທ່ານມີປະສົບການການຊອກຫາທີ່ດີກວ່າ, ວິເຄາະການເຂົ້າຊົມເວັບໄຊທ໌ແລະປັບແຕ່ງເນື້ອຫາ. ໂດຍການນໍາໃຊ້ເວັບໄຊທ໌ນີ້, ທ່ານຕົກລົງເຫັນດີກັບການນໍາໃຊ້ cookies ຂອງພວກເຮົາ. ນະໂຍບາຍຄວາມເປັນສ່ວນຕົວ
        ປະຕິເສດ ຍອມຮັບ