|
ມອນ |
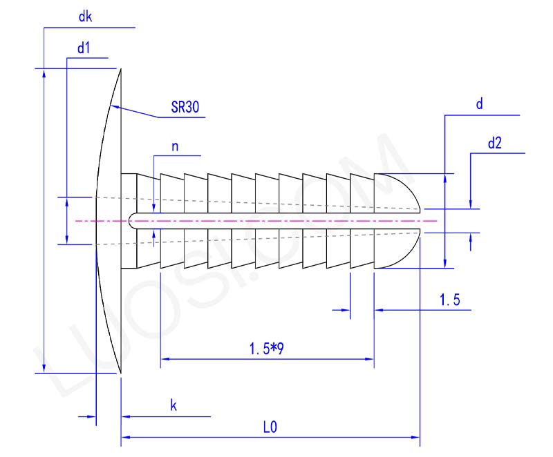
F6 |
f8 |
φ10 |
|
d max |
6 | 8 | 10 |
|
ໂດນ |
5.8 | 7.8 | 9.8 |
|
dk ສູງສຸດ |
16.2 | 16.2 | 18.2 |
|
DK Min |
15.8 | 15.8 | 17.8 |
|
k ສູງສຸດ |
1.6 | 1.6 | 2.1 |
|
k min |
1.4 | 1.4 | 1.9 |
|
l0 |
20 | 20 | 22 |
|
D1 |
3 | 4 | 5 |
|
d2 |
1.5 | 2 | 3 |
|
n |
1 | 1 | 1.5 |
The Explet Rivet Clip Retainer ແມ່ນ fastener ສຕິກທີ່ມີປະໂຫຍດ. ມັນເຮັດວຽກເປັນຕົວເລືອກທີ່ປອດໄພກວ່າ, ມີຄວາມຊໍານານ, ສູງກວ່າທີ່ທົນທານຕໍ່ການກັດກ່ອນ, ແທນທີ່ຈະເປັນເຂັມ cotter ໂລຫະປົກກະຕິ.
ມັນເປັນພື້ນຖານທີ່ເປັນຮູບຊົງກະບອກເປັນຮູບຊົງກະບອກກັບສ່ວນກາງ. ທ່ານເອົາມັນໃສ່ຮູທີ່ມີການເຈາະກ່ອນ, ຫຼັງຈາກນັ້ນງໍສອງຂາອອກເພື່ອໃຫ້ມີສ່ວນທີ່ຄ້າຍຄືກັບບັນຫາ clevis, ຫຼືການເຊື່ອມໂຍງເຂົ້າກັນ.
ການອຸກອັ່ງຕົ້ນຕໍຂອງການຂະຫຍາຍຕົວ Rivet Clip Retainer ແມ່ນກ່ຽວກັບຄວາມປອດໄພ, ຄວາມອ່ອນໂຍນ, ແລະຖືຢູ່ໃນສະພາບແວດລ້ອມທີ່ແຕກຕ່າງກັນ.
ບໍ່ເຫມືອນກັບເຂັມໂລຫິດ, ມັນບໍ່ມີບັນຫາຂອງ burers ແຫຼມທີ່ສາມາດຕັດທ່ານໃນເວລາທີ່ເອົາມັນອອກ. ມັນແມ່ນວິທີການທີ່ເບົາກວ່າ, ເຊິ່ງສໍາຄັນຫຼາຍສໍາລັບການນໍາໃຊ້ອາວະກາດແລະລົດໃຫຍ່.
ມີຫຍັງອີກ, ຄລິບການຂະຫຍາຍຕົວຂອງ Rivet Rivet Retainer ຕ້ານທານກັບ Rust ແລະ Corrosion. ມັນສາມາດຖືກນໍາໃຊ້ໃນສະຖານທີ່ທີ່ປຽກຊຸ່ມ, ປະມານສານເຄມີ, ຫຼືບ່ອນທີ່ມີໄຟຟ້າບໍ່ພຽງພໍ, ແລະບ່ອນທີ່ເຂັມຂັດໂລຫະອາດຈະຜິດປົກກະຕິຫຼືເກີດບັນຫາ.

ຄຸນຄ່າສະເພາະຂອງຄວາມເຂັ້ມແຂງຂອງ Shear ຂອງ Rivet Clip Clip Rivet ຂອງພວກເຮົາຈະແຕກຕ່າງກັນໄປຕາມເສັ້ນຜ່າກາງຂອງ PIN ແລະຊັ້ນວັດສະດຸສະເພາະ.
ມັນຖືກອອກແບບມາເພື່ອຈັດການກັບການສັ່ນສະເທືອນແລະການເຄື່ອນຍ້າຍຫຼາຍ, ເຊິ່ງມີຢູ່ທົ່ວໄປໃນເຄື່ອງຈັກ, ຊິ້ນສ່ວນຂອງລົດ, ແລະສາຍປະກອບ.
ອຸປະກອນການທໍາມະຊາດມີຄວາມຍືດຫຍຸ່ນແລະຄວາມຄ່ອງແຄ້ວບາງຢ່າງ, ເຊິ່ງຊ່ວຍໃຫ້ມັນດູດຊຶມເຂົ້າໃຈ. ທີ່ເຮັດໃຫ້ມັນເປັນການທົດແທນທີ່ຫນ້າເຊື່ອຖືສໍາລັບເຂັມໂລຫະໃນສະພາບແວດລ້ອມທີ່ເຄັ່ງຄັດຫຼາຍ, ມັນບໍ່ໄດ້ສວມໃສ່ໄດ້ງ່າຍ, ແລະມັນກໍ່ຈະມີການທັກສະໃນການເຊື່ອມຕໍ່.
