ລັກສະນະທໍາມະຊາດຂອງ clip rivet ຂະຫຍາຍພາດສະຕິກເຮັດໃຫ້ມັນດີສໍາລັບການນໍາໃຊ້ພິເສດ, ສະເພາະ. ເນື່ອງຈາກມັນບໍ່ໄດ້ນໍາໄຟຟ້າ, ມັນເປັນສິ່ງສໍາຄັນແທ້ໆໃນກ່ອງໄຟຟ້າແລະພື້ນທີ່ແຮງດັນສູງ. ມັນບໍ່ເຮັດໃຫ້ປະກາຍໄຟ, ເຊິ່ງມີຄວາມຈໍາເປັນແທ້ໆໃນສະຖານທີ່ບ່ອນທີ່ການລະເບີດອາດຈະເກີດຂື້ນ (ເຂດ ATEX).
ນອກນັ້ນທ່ານຍັງບໍ່ສາມາດເຮັດໄດ້ໂດຍບໍ່ມີມັນຢູ່ໃນຫ້ອງ MRI ແລະອຸປະກອນເອເລັກໂຕຣນິກທີ່ລະອຽດອ່ອນ, ບ່ອນທີ່ແມ້ແຕ່ສະຫນາມແມ່ເຫຼັກຂະຫນາດນ້ອຍຈາກ pins ໂລຫະກໍ່ບໍ່ໄດ້ຮັບອະນຸຍາດ.

clip rivet ຂະຫຍາຍພາດສະຕິກທີ່ດີຜ່ານການທົດສອບຢ່າງເຂັ້ມງວດເພື່ອໃຫ້ແນ່ໃຈວ່າມັນເຮັດວຽກຢ່າງຕໍ່ເນື່ອງ. ການທົດສອບເຫຼົ່ານີ້ກວດເບິ່ງສິ່ງຕ່າງໆເຊັ່ນຄວາມຖືກຕ້ອງຂອງຂະຫນາດ, ມັນສາມາດດຶງໄດ້ຫຼາຍປານໃດ, ມັນຈັດການກັບການຕີໄດ້ດີ, ແລະຖ້າມັນເຮັດວຽກກັບສານເຄມີທີ່ແຕກຕ່າງກັນ.
ເຂັມຂັດພລາສຕິກຂອງ Xiaoguo® ຖືກຜະລິດຕາມມາດຕະຖານອຸດສາຫະກຳໂດຍໃຊ້ວັດສະດຸທີ່ຕອບສະໜອງຄວາມຕ້ອງການທີ່ລະບຸໄວ້, ຮັບປະກັນປະສິດທິພາບ. ເຂົາເຈົ້າຍຶດສິ່ງຂອງໄວ້ຢ່າງປອດໄພ ແລະ ປອດໄພເພື່ອຈຸດປະສົງທີ່ຕັ້ງໄວ້. ເມື່ອປຽບທຽບກັບ pins cotter ໂລຫະ, ແຜ່ນພາດສະຕິກແມ່ນທົນທານຕໍ່ການກັດກ່ອນແລະທົນທານຕໍ່ rust ຫຼາຍ.

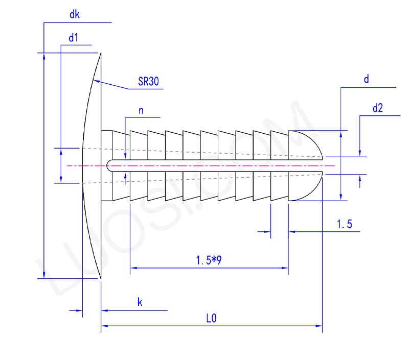
ຈັນ
Φ6
Φ8
Φ10
d ສູງສຸດ
6
8
10
d ນາທີ
5.8
7.8
9.8
dk ສູງສຸດ
16.2
16.2
18.2
dk ນາທີ
15.8
15.8
17.8
k ສູງສຸດ
1.6
1.6
2.1
k ນ
1.4
1.4
1.9
L0
20
20
22
d1
3
4
5
d2
1.5
2
3
n
1
1
1.5
clip rivet ຂະຫຍາຍພາດສະຕິກມາດຕະຖານຂອງພວກເຮົາແມ່ນເຮັດດ້ວຍວັດສະດຸທີ່ປະຕິບັດຕາມກົດລະບຽບສາກົນທີ່ສໍາຄັນ, ລວມທັງ RoHS ແລະ REACH. ພວກເຮົາຍັງສະເຫນີສະບັບທີ່ໄດ້ຮັບການຮັບຮອງຈາກ FDA ສໍາລັບຄໍາຮ້ອງສະຫມັກຕິດຕໍ່ອາຫານ. ໃບຢັ້ງຢືນການປະຕິບັດຕາມແມ່ນມີໃຫ້ຕາມຄໍາຮ້ອງຂໍ.
ວັດສະດຸຂອງພວກເຮົາຖືກຄັດເລືອກຢ່າງລະມັດລະວັງຕາມມາດຕະຖານທົ່ວໂລກໃນລະຫວ່າງການຜະລິດ, ຮັບປະກັນການປະຕິບັດຕາມມາດຕະຖານທີ່ມີຄຸນນະພາບທີ່ກ່ຽວຂ້ອງແລະຮັບປະກັນການສົ່ງອອກທີ່ປອດໄພແລະການນໍາໃຊ້ຢ່າງກວ້າງຂວາງໃນທົ່ວໂລກ.