ບ້ານ > ຜະລິດຕະພັນ > ຫມາກແຫ້ງໄນ > ຫມາກແຫ້ງເປືອກແຂງ > ເຕັມກະດ້າງສະລັອດຕິງແກ່ນຫມາກມົນ
        ເຕັມກະດ້າງສະລັອດຕິງແກ່ນຫມາກມົນ
        • ເຕັມກະດ້າງສະລັອດຕິງແກ່ນຫມາກມົນເຕັມກະດ້າງສະລັອດຕິງແກ່ນຫມາກມົນ
        • ເຕັມກະດ້າງສະລັອດຕິງແກ່ນຫມາກມົນເຕັມກະດ້າງສະລັອດຕິງແກ່ນຫມາກມົນ

        ເຕັມກະດ້າງສະລັອດຕິງແກ່ນຫມາກມົນ

        ແກ່ນໝາກກ້ຽງທີ່ມີເສັ້ນລວດເຕັມຖືກອອກແບບດ້ວຍຮອຍຂີດຂ່ວນຢູ່ຂອບນອກຂອງພວກມັນເພື່ອໃຊ້ກັບເຂັມຂັດ. ໃນປັດຈຸບັນ, ລູກຄ້າຈໍານວນຫຼາຍກໍາລັງຊື້ຜະລິດຕະພັນເຫຼົ່ານີ້ຈາກປະເທດຈີນ XIAOGUO ເພາະວ່າພວກເຂົາມີຄ່າໃຊ້ຈ່າຍທີ່ມີປະສິດທິພາບແລະມີການສະຫນັບສະຫນູນທີ່ຫມັ້ນຄົງແລະເຊື່ອຖືໄດ້.

        ສົ່ງສອບຖາມ

        ລາຍ​ລະ​ອຽດ​ຜະ​ລິດ​ຕະ​ພັນ

        ຄໍາແນະນໍາການນໍາໃຊ້ຜະລິດຕະພັນ

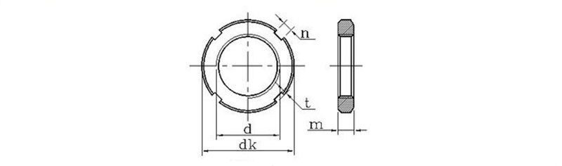
        Fully Threaded Threaded Round Nuts - ພວກມັນຖືກກໍານົດຕາມມາດຕະຖານເຊັ່ນ DIN 546 ແລະສ່ວນໃຫຍ່ແມ່ນຖືກນໍາໃຊ້ເພື່ອບັນລຸການເຊື່ອມຕໍ່ fastening ທີ່ປອດໄພແລະສາມາດທົນທານຕໍ່ການສັ່ນສະເທືອນ. ລັກສະນະຕົ້ນຕໍຂອງແກ່ນເຫຼົ່ານີ້ຢູ່ໃນຊ່ອງສຽບຕັດຢູ່ປາຍຫນຶ່ງຂອງຫມາກແຫ້ງເປືອກແຂງ. ນີ້ແມ່ນວິທີການນໍາໃຊ້ພວກມັນ: ທໍາອິດ, ຫັນຫມາກແຫ້ງເປືອກແຂງໃສ່ໂບຫຼື stud ທີ່ເຈາະກ່ອນແລະແຫນ້ນມັນກັບຕໍາແຫນ່ງທີ່ຕ້ອງການ. ຫຼັງຈາກແຫນ້ນແຫນ້ນ, ວາງຊ່ອງໃສ່ກັບຮູໃສ່ bolt shaft. ສຸດທ້າຍ, ສຽບເຂັມເປີດ (ເຄື່ອງຊັກຜ້າລັອກ) ຫຼືສາຍຄວາມປອດໄພຜ່ານຊ່ອງສຽບ ແລະ ຮູລັອດທີ່ສອດຄ່ອງ, ແລະຫຼັງຈາກນັ້ນງໍປາຍຂອງ pin ເພື່ອຮັບປະກັນຄວາມສອດຄ່ອງ. ດັ່ງນັ້ນ, ໃນທີ່ປະທັບຂອງການສັ່ນສະເທືອນ, ຫມາກແຫ້ງເປືອກແຂງຈະບໍ່ loosen.

        ການຫຸ້ມຫໍ່ຜະລິດຕະພັນ

        ອີງຕາມຜົນການສືບສວນຂອງພວກເຮົາ, ພວກເຮົາສະເຫນີແນວພັນຂອງຫມາກແຫ້ງເປືອກແຂງທີ່ມີເສັ້ນດ້າຍເຕັມຮູບແບບ, ເຊິ່ງເຫມາະສົມສໍາລັບການນໍາໃຊ້ອຸດສາຫະກໍາ. ການຫຸ້ມຫໍ່ພວກມັນຢູ່ໃນຖົງຫຼືກ່ອງແມ່ນວິທີການທົ່ວໄປແລະປະຕິບັດໄດ້. ແຕ່ລະກະເປົ໋າມີໝາກຖົ່ວຈຳນວນໜຶ່ງ, ເຊັ່ນ: 100 ໜ່ວຍຕໍ່ຖົງ. ຮູບແບບກະເປົ໋ານີ້ແມ່ນສະດວກສໍາລັບການຂົນສົ່ງ, ການນັບສິນຄ້າຄົງຄັງ, ແລະການແຈກຢາຍຢູ່ໃນກອງປະຊຸມຫຼືສາຍປະກອບ. ການຫຸ້ມຫໍ່ປົກກະຕິແລ້ວມີຄວາມໂປ່ງໃສຫຼືມີປ້າຍຊື່, ຊ່ວຍໃຫ້ທ່ານສາມາດກໍານົດປະເພດແລະຂະຫນາດຂອງແກ່ນໄດ້ໄວ. ຖ້າທ່ານເປັນຜູ້ຜະລິດຫຼືຜູ້ຊື້ຂະຫນາດໃຫຍ່, ພວກເຮົາຍັງສາມາດສະຫນອງການຫຸ້ມຫໍ່ carton ຂະຫນາດໃຫຍ່ຫຼືປັບແຕ່ງການຫຸ້ມຫໍ່ຕາມຄວາມຕ້ອງການຂອງທ່ານ. ນີ້ຊ່ວຍຫຼຸດຜ່ອນຄ່າໃຊ້ຈ່າຍແລະເຮັດໃຫ້ລະບົບຕ່ອງໂສ້ການສະຫນອງໂຄງການຂອງທ່ານດໍາເນີນໄປຢ່າງລຽບງ່າຍ.

        ຊ່ວງຖາມ-ຕອບ

        ວັດຖຸດິບອັນໃດແມ່ນໝາກໄມ້ຮອບທີ່ເຮັດດ້ວຍກະທູ້ເຕັມໆຂອງເຈົ້າ?

        A: ພວກເຮົາປົກກະຕິແລ້ວເຮັດໃຫ້ແກ່ນຂອງພວກເຮົາຈາກເຫຼັກກາກບອນສໍາລັບການນໍາໃຊ້ທົ່ວໄປ. ພວກເຮົາຍັງມີທາງເລືອກສະແຕນເລດ (ຊັ້ນຮຽນທີ 304 ແລະ 316) ຖ້າທ່ານຕ້ອງການບາງສິ່ງບາງຢ່າງທີ່ທົນທານຕໍ່ rust, ແລະທອງເຫລືອງສໍາລັບການນໍາໃຊ້ທີ່ບໍ່ແມ່ນແມ່ເຫຼັກ. ພຽງແຕ່ເລືອກເອົາວັດສະດຸສໍາລັບຫມາກຖົ່ວໂດຍອີງໃສ່ສິ່ງທີ່ສະພາບແວດລ້ອມແລະຄວາມຕ້ອງການກົນຈັກຂອງທ່ານໂດຍສະເພາະ.

        Fully Threaded Slotted Round Nuts


        ໜ່ວຍ: mm
        d*P dk m n t ຄຸນະພາບຕໍ່ 1000 ຜະລິດຕະພັນເຫຼັກ≈kz d*P dk m n t ຄຸນະພາບຕໍ່ 1000 ຜະລິດຕະພັນເຫຼັກ≈kg
        ສູງສຸດ ນາທີ ສູງສຸດ ນາທີ ສູງສຸດ ນາທີ ສູງສຸດ ນາທີ
        M10*1 22 8 4.3 4 2.6 2 16.82 M64*2 95 12 8.36 8 4.25 3.5 351.9
        M12*1.25 25 21.58 M65*2 95 342.4
        M14*1.5 28 26.82 M68*2 100 10.36 10 4.75 4 380.2
        M16*1.5 30 5.3 5 3.1 2.5 28.44 M72*2 105 15 518
        M18*1.5 32 31.19 M75*2 105 477.5
        M20*1.5 35 37.31 M76*2 110 562.4
        M22*1.5 38 10 54.91 M80*2 115 608.4
        M24*1.5 42 68.88 M85*2 120 640.6
        M25*1.5 42 68.88 M90*2 125 18 12.43 12 5.75 5 796.1
        M27*1.5 45 75.49 M95*2 130 834.7
        M30*1.5 48 82.11 M100*2 135 873.3
        M33*1.5 52 6.3 6 3.6 3 93.32 M105*2 140 895
        M35*1.5 52 84.99 M110*2 150 14.43 14 6.75 6 1076
        M36*1.5 55 100.3 M115*2 155 22 1369
        M39*1.5 58 107.3 M120*2 160 1423
        M40*1.5 58 109.5 M125*2 165 1477
        M42*1.5 62 121.8 M130*2 170 1531
        M45*1.5 68 153.6 M140*2 180 26 1937
        M48*1.5 72 12 8.36 8 4.25 3.5 201.2 M150*2 200 16.43 16 7.9 7 2651
        M50*1.5 72 186.8 M160*3 210 2810
        M52*1.5 78 238 M170*3 220 2970
        M55*2 78 214.4 M180*3 230 30 3610
        M56*2 85 290.1 M190*3 240 3794
        M60*2 90 320.3 M200*3 250 3978





        Hot Tags: Fully Threaded Slotted ແກ່ນຫມາກກ້ຽງ, ຈີນ, ຜູ້ຜະລິດ, ຜູ້ສະຫນອງ, ໂຮງງານຜະລິດ
        ປະເພດທີ່ກ່ຽວຂ້ອງ
        ສົ່ງສອບຖາມ
        ກະລຸນາຮູ້ສຶກວ່າບໍ່ເສຍຄ່າເພື່ອໃຫ້ການສອບຖາມຂອງທ່ານໃນແບບຟອມຂ້າງລຸ່ມນີ້. ພວກເຮົາຈະຕອບກັບທ່ານໃນ 24 ຊົ່ວໂມງ.
        X
        ພວກເຮົາໃຊ້ cookies ເພື່ອສະເຫນີໃຫ້ທ່ານມີປະສົບການການຊອກຫາທີ່ດີກວ່າ, ວິເຄາະການເຂົ້າຊົມເວັບໄຊທ໌ແລະປັບແຕ່ງເນື້ອຫາ. ໂດຍການນໍາໃຊ້ເວັບໄຊທ໌ນີ້, ທ່ານຕົກລົງເຫັນດີກັບການນໍາໃຊ້ cookies ຂອງພວກເຮົາ. ນະໂຍບາຍຄວາມເປັນສ່ວນຕົວ
        ປະຕິເສດ ຍອມຮັບ