GB 812 Nut
        • GB 812 NutGB 812 Nut
        • GB 812 NutGB 812 Nut

        GB 812 Nut

        Xiaoguo® ເປັນຜູ້ສະໜອງແກ່ນແກ່ນຂອງຈີນ GB 812 ທີ່ມີຄວາມເຂັ້ມແຂງ ແລະທົນທານດີເລີດ. ຜະລິດຕະພັນຕົວມັນເອງສາມາດທົນກັບການໂຫຼດຫນັກທີ່ສຸດແລະປະຕິບັດໄດ້ດີທີ່ສຸດ, ແລະມັນບໍ່ຫນ້າຈະ deform ໃນໄລຍະການນໍາໃຊ້ໃນໄລຍະຍາວ. ກະ​ລຸ​ນາ​ພະ​ຍາ​ຍາມ​ທີ່​ຈະ​ເລືອກ​ເອົາ GB 812 ອັດ​ຕະ​ໂນ​ມັດ​. ທ່ານແນ່ນອນຈະ surprised pleasantly!

        ສົ່ງສອບຖາມ

        ລາຍ​ລະ​ອຽດ​ຜະ​ລິດ​ຕະ​ພັນ

        ລາຍການກວດກາໂຮງງານ

        ເພື່ອຮັບປະກັນຄວາມຫນ້າເຊື່ອຖືຂອງຫມາກແຫ້ງເປືອກແຂງທີ່ຜະລິດ, ພວກເຮົາຈະດໍາເນີນການທົດສອບຢ່າງເຂັ້ມງວດຕາມມາດຕະຖານຂອງຫມາກແຫ້ງເປືອກແຂງ GB 812. ການທົດສອບຈະເນັ້ນໃສ່ສີ່ດ້ານທີ່ສໍາຄັນ: ຂະຫນາດ, ປະສິດທິພາບ, ວັດສະດຸ, ແລະຮູບລັກສະນະ.

        (1​) ຂະ​ຫນາດ​ແລະ​ການ​ກວດ​ສອບ​ຄວາມ​ຖືກ​ຕ້ອງ​

        ການວັດແທກຂະຫນາດຮູບຮ່າງ: ວັດແທກເສັ້ນຜ່າກາງນອກ, ເສັ້ນຜ່າກາງພາຍໃນແລະຄວາມສູງໂດຍລວມຂອງຫມາກແຫ້ງເປືອກແຂງ. ຄ່າທີ່ວັດແທກໄດ້ບໍ່ຄວນເກີນຂອບເຂດຄວາມທົນທານ, ແລະຄວນຖ່າຍຮູບເພື່ອບັນທຶກ.

        ການກວດສອບຂະຫນາດຂອງສະລັອດຕິງ: ກວດເບິ່ງຄວາມກວ້າງ, ຄວາມເລິກແລະເສັ້ນຜ່າກາງຂອງຮ່ອງຫຼື notch ເພື່ອຮັບປະກັນທີ່ເຫມາະສົມກັບເຄື່ອງມືທີ່ຖືກນໍາໃຊ້.

        (2) ການກວດກາຄວາມຖືກຕ້ອງຂອງກະທູ້

        ການກວດສອບການວັດແທກກະທູ້: ການທົດສອບແມ່ນດໍາເນີນໂດຍໃຊ້ "ເຄື່ອງວັດແທກເສັ້ນດ້າຍ (GO)" ແລະ "ເຄື່ອງວັດແທກຢຸດ (NO-GO)". ມາດຕະຖານທີ່ມີຄຸນວຸດທິມີດັ່ງນີ້: ເຄື່ອງວັດ thread ຄວນຈະສາມາດໃສ່ໄດ້ກ້ຽງແລະສົມບູນ, ໃນຂະນະທີ່ເຄື່ອງວັດແທກຢຸດສາມາດໃສ່ໄດ້ຫຼາຍທີ່ສຸດ 2 ລ້ຽວ.

        ການວັດແທກຕົວກໍານົດການກະທູ້: ການນໍາໃຊ້ເຄື່ອງມືທີ່ຊັດເຈນ, ເສັ້ນຜ່າກາງສະເລ່ຍ, pitch deviation ແລະມຸມ helix ຂອງ thread ແມ່ນການວັດແທກຕື່ມອີກ.

        GB 812 Nut

        (3​) ການ​ທົດ​ສອບ​ການ​ປະ​ຕິ​ບັດ​ກົນ​ຈັກ​

        ການທົດສອບຄວາມແຂງ: ໃຊ້ເຄື່ອງທົດສອບຄວາມແຂງຂອງ Rockwell (HRC), Brinell (HBW) ຫຼື Vickers (HV) ເພື່ອວັດແທກຄວາມແຂງຢູ່ດ້ານໜ້າ ຫຼືດ້ານຂ້າງຂອງແກ່ນເປືອກແຂງ GB 812.

        ການທົດສອບປະສິດທິພາບອື່ນໆ: ອີງຕາມຄວາມຕ້ອງການຄໍາຮ້ອງສະຫມັກ, ການທົດສອບເພີ່ມເຕີມເຊັ່ນ: ຄວາມເຂັ້ມຂົ້ນ tensile, ຄວາມທົນທານຂອງຜົນກະທົບ, ແລະ fatigue life ອາດຈະໄດ້ຮັບການດໍາເນີນການເພື່ອປະເມີນທີ່ສົມບູນແບບຄຸນສົມບັດກົນຈັກຂອງຕົນ.

        (4) ການກວດກາຄຸນນະພາບຂອງພື້ນຜິວ ແລະວັດສະດຸ

        ການວິເຄາະອົງປະກອບຂອງວັດສະດຸ: ໂດຍຜ່ານວິທີການເຊັ່ນ: ການວິເຄາະ spectroscopic, ວັດສະດຸຂອງຫມາກແຫ້ງເປືອກແຂງໄດ້ຖືກກວດສອບ.

        ການ​ກວດ​ກາ​ການ​ປິ່ນ​ປົວ​ຫນ້າ​ດິນ​:

        ຮູບ​ລັກ​ສະ​ນະ​ແລະ​ຂໍ້​ບົກ​ຜ່ອງ​: ການ​ກວດ​ສອບ​ພາຍ​ໃຕ້​ການ​ແສງ​ສະ​ຫວ່າງ​ທີ່​ດີ​ໂດຍ​ການ​ກວດ​ກາ​ເບິ່ງ​ຫຼື​ແວ່ນ​ຂະ​ຫຍາຍ​. ຮອຍແຕກ, burrs, folds, rust, ແລະອື່ນໆ, ເຊິ່ງອາດຈະສົ່ງຜົນກະທົບຕໍ່ຄວາມເຂັ້ມແຂງ, ຈະຕ້ອງບໍ່ມີ.

        ຄຸນນະພາບການເຄືອບ: ຖ້າຜະລິດຕະພັນໄດ້ຮັບການປິ່ນປົວເຊັ່ນການ galvanization, blackening, ຫຼືການເຄືອບ Dacromet, ຄວາມຫນາຂອງການເຄືອບ (ໃຊ້ເຄື່ອງວັດແທກຄວາມຫນາ), ການຍຶດເກາະ (ເຊັ່ນການທົດສອບ scratch), ແລະການຕໍ່ຕ້ານ corrosion (ຜ່ານການທົດສອບການສີດເກືອ) ຈໍາເປັນຕ້ອງໄດ້ຮັບການທົດສອບ.

        GB 812 Nut

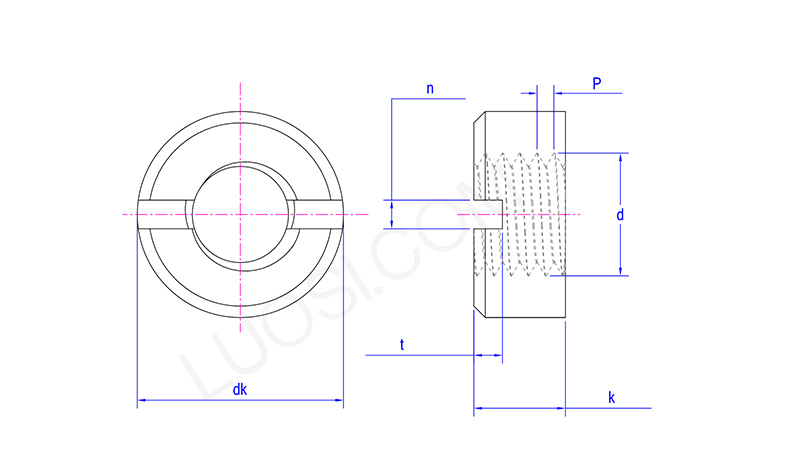
        ຈັນ M3.5 M4 M5 M6 M8 M10 M12 M14 M16 M18 M20
        P 0.6 0.7 0.8 1 1.25 1.5 1.75 2 2 2.5 2.5
        dk ສູງສຸດ 7 8 9 11 14 18 21 24 26 29 32
        dk ນາທີ 6.64 7.64 8.64 10.57 13.57 17.57 20.48 23.48 25.48 28.48 31.38
        k ສູງສຸດ 3 3.5 4.2 5 6.5 8 10 11 12 13 14
        k ນ 2.75 3.2 3.9 4.7 6.14 7.64 9.64 10.57 11.57 12.57 13.57
        n ນທ 1.46 1.46 2.06 2.56 3.06 3.57 4.07 4.07 4.07 4.07 5.07
        n ສູງສຸດ 1.71 1.71 2.31 2.81 3.31 3.87 4.37 4.37 4.37 4.37 5.37
        t ນາທີ 1 1.2 15 2 2.5 3.2 3.8 3.8 3.8 4.8 4.8
        t ສູງສຸດ 1.40 1.60 1.90 2.4 3 3.7 4.3 4.3 4.3 5.5 5.5

        ການຫຸ້ມຫໍ່

        ສໍາລັບການຫຸ້ມຫໍ່ໂຮງງານຜະລິດຫມາກແຫ້ງເປືອກແຂງ GB 812, ພວກເຮົາຈະປະຕິບັດຕາມມາດຕະຖານ GB / T 90.2. ຂໍ້ກໍານົດທີ່ສໍາຄັນແມ່ນເພື່ອຮັບປະກັນວ່າປ້າຍຜະລິດຕະພັນແມ່ນຄົບຖ້ວນສົມບູນ, ການຫຸ້ມຫໍ່ແມ່ນທົນທານ, ແລະມັນສາມາດທົນຕໍ່ອິດທິພົນຂອງສິ່ງແວດລ້ອມໃນລະຫວ່າງການຂົນສົ່ງແລະການເກັບຮັກສາ.

        (1​) ການ​ປິ່ນ​ປົວ​ຕ້ານ​ການ rust​: ຜະ​ລິດ​ຕະ​ພັນ​ທີ່​ບໍ່​ມີ​ການ​ເຄືອບ​ຈະ​ຕ້ອງ​ໄດ້​ຮັບ​ການ​ເຄືອບ​ດ້ວຍ​ສານ​ຕ້ານ​ການ rust​.

        (2​) ຮູບ​ແບບ​ການ​ຫຸ້ມ​ຫໍ່​: ຫຼາຍ​ກ່ອງ / ຖົງ​ຢາງ​, ຖົງ​ຕ້ານ​ການ rust / ຮູບ​ເງົາ​. ການຫຸ້ມຫໍ່ນອກປົກກະຕິແລ້ວແມ່ນເຮັດດ້ວຍຖົງທໍ, ກ່ອງ cardboard ຫຼືກ່ອງໄມ້ (ສໍາລັບຄວາມຕ້ອງການພິເສດເຊັ່ນການສົ່ງອອກ, ການຫຸ້ມຫໍ່ທີ່ກໍາຫນົດເອງສາມາດນໍາໃຊ້ໄດ້)

        (3​) ຄວາມ​ເຂັ້ມ​ແຂງ​ຂອງ​ການ​ຫຸ້ມ​ຫໍ່​: ປະ​ຕິ​ບັດ​ຕາມ​ຫຼັກ​ການ​ວິ​ທະ​ຍາ​ສາດ​, ແຂງ​ແຮງ​ແລະ​ເສດ​ຖະ​ກິດ​, ຫຼີກ​ເວັ້ນ​ການ​ຄວາມ​ເສຍ​ຫາຍ​ໃນ​ລະ​ຫວ່າງ​ການ​ຂົນ​ສົ່ງ (ພວກ​ເຮົາ​ຈະ​ກໍາ​ນົດ​ລາຍ​ລະ​ອຽດ​ສະ​ເພາະ​ກັບ​ທ່ານ​)

        (4) ເນື້ອໃນປ້າຍຊື່: ຜູ້ຜະລິດ, ຊື່ຜະລິດຕະພັນ, ເຄື່ອງໝາຍມາດຕະຖານ, ປະລິມານ/ນ້ຳໜັກສຸດທິ, ວັນທີຜະລິດ, ເຄື່ອງໝາຍຄຸນນະພາບ, ແລະອື່ນໆ

        (5​) ຮູບ​ແບບ​ປ້າຍ​ກໍາ​ນົດ​: ບໍ່​ມີ​ຂໍ້​ຈໍາ​ກັດ (ການ​ພິມ / embossing / tethering / sticking ແມ່ນ​ຍອມ​ຮັບ​ທັງ​ຫມົດ​)

        Hot Tags: GB 812 Nut, ຈີນ, ຜູ້ຜະລິດ, ຜູ້ສະຫນອງ, ໂຮງງານຜະລິດ
        ປະເພດທີ່ກ່ຽວຂ້ອງ
        ສົ່ງສອບຖາມ
        ກະລຸນາຮູ້ສຶກວ່າບໍ່ເສຍຄ່າເພື່ອໃຫ້ການສອບຖາມຂອງທ່ານໃນແບບຟອມຂ້າງລຸ່ມນີ້. ພວກເຮົາຈະຕອບກັບທ່ານໃນ 24 ຊົ່ວໂມງ.
        X
        ພວກເຮົາໃຊ້ cookies ເພື່ອສະເຫນີໃຫ້ທ່ານມີປະສົບການການຊອກຫາທີ່ດີກວ່າ, ວິເຄາະການເຂົ້າຊົມເວັບໄຊທ໌ແລະປັບແຕ່ງເນື້ອຫາ. ໂດຍການນໍາໃຊ້ເວັບໄຊທ໌ນີ້, ທ່ານຕົກລົງເຫັນດີກັບການນໍາໃຊ້ cookies ຂອງພວກເຮົາ. ນະໂຍບາຍຄວາມເປັນສ່ວນຕົວ
        ປະຕິເສດ ຍອມຮັບ