ການຄາດຄະເນການປະເຊີນຫນ້າທີ່ມີຄວາມແຮງສູງແມ່ນປະເພດພິເສດທີ່ເຮັດເພື່ອເຊື່ອມຕໍ່ກັບແຜ່ນໂລຫະຫຼືໂລຫະທີ່ງ່າຍດາຍ. ມັນມີການຄາດຄະເນ - ປົກກະຕິແລ້ວແມ່ນແຫວນຫຼືມັດເລັກນ້ອຍ - ຢູ່ດ້ານຂ້າງທີ່ແຕະໂລຫະ, ແລະສິ່ງເຫຼົ່ານີ້ແມ່ນເຮັດໃຫ້ມີຂະຫນາດທີ່ຊັດເຈນ.
ໃນເວລາທີ່ທ່ານ weld ມັນ, ສຸມໃສ່ການສຸມໃສ່ການຄາດຄະເນເຫຼົ່ານີ້. ທີ່ເຮັດໃຫ້ໂລຫະມີຄວາມຮ້ອນຫຼາຍ, ລະລາຍ, ແລະຫຼັງຈາກນັ້ນໃນເວລາທີ່ມັນເຢັນ, ມັນປະກອບເປັນ weld ທີ່ເຂັ້ມແຂງ. weld ນີ້ຖືການນໍາໃຊ້ທີ່ມີຄວາມເຂັ້ມແຂງສູງຂອງການສົ່ງເສີມການສົ່ງເສີມ Bolting Belightly ໃຫ້ແຫນ້ນກັບຊິ້ນທີ່ທ່ານກໍາລັງເຮັດວຽກຢູ່.
ການສົ່ງເສີມການປະເຊີນຫນ້າທີ່ມີຄວາມແຮງສູງທີ່ໄດ້ຮັບການປັບປຸງວຽກຕົ້ນຕໍຂອງ Bolt ແມ່ນການສ້າງຈຸດທີ່ແນບມາ, ອີງໃສ່ກະທູ້ທີ່ສາມາດເກັບນ້ໍາຫນັກໄດ້. ທ່ານຕ້ອງການອຸປະກອນການເຊື່ອມໂລຫະພິເສດເພື່ອເຊື່ອມໂລຫະມັນ.
Electrodes ກົດລົງແລະສົ່ງໄຟຟ້າຫຼາຍໂດຍຜ່ານການຄາດຄະເນຂອງ Bolt ແລະສິ້ນໂລຫະທີ່ທ່ານກໍາລັງເຮັດວຽກນໍາ. ວິທີການທີ່ການເຊື່ອມໂລຫະກໍາລັງເຮັດແມ່ນຫມາຍຄວາມວ່າມີພຽງແຕ່ການຄາດຄະເນການສະຫນັບສະຫນູນໂດຍບໍ່ມີຫຍັງອີກ. ໃນເວລາທີ່ພວກເຂົາເຢັນ, ພວກເຂົາປະກອບເປັນພັນທະບັດໂລຫະທີ່ແຂງແຮງ, ແລະໂລຫະທີ່ຢູ່ອ້ອມຮອບມັນບໍ່ໄດ້ໂກງຫລືສົງຄາມ.
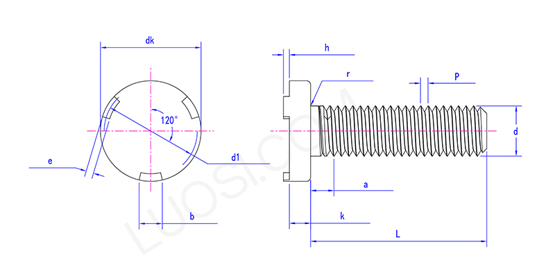
| ມອນ | M5 | m6 | m8 | M10 |
| P | 0.8 | 1 | 1.25 | 5 |
| dk ສູງສຸດ | 12.4 | 14.4 | 16.4 | 20.4 |
| DK Min | 11.6 | 13.6 | 15.6 | 19.6 |
| k ສູງສຸດ | 2 | 2.2 | 3.2 | 4.2 |
| k min | 1.6 | 1.8 | 3.2 | 4.2 |
| ແລະສູງສຸດທີ່ເຄຍ | 2.25 | 2.75 | 2.25 | 2.75 |
| ເນ | 1.75 | 2.25 | 1.75 | 2.25 |
| b max | 3.3 | 4.3 | 5.3 | 6.3 |
| b min | 2.7 | 3.7 | 4.7 | 5.7 |
| h ສູງສຸດ | 0.8 | 0.9 | 1.1 | 1.3 |
| h min | 0.6 | 0.75 | 0.9 | 1.1 |
| D1 Max | 10 | 11.5 | 14 | 17.5 |
| D1 min | 9 | 10.5 | 13 | 16.5 |
| r min | 0.2 | 0.25 | 0.4 | 0.4 |
| r max | 0.6 | 0.7 | 0.9 | 1.2 |
| a max | 3.2 | 4 | 5 | 5 |

ການເຊື່ອມໂລຫະທີ່ມີຄວາມແຮງສູງທີ່ມີຄວາມແຮງສູງມີຊິ້ນສ່ວນທີ່ລ້ຽງດູໃຫ້ຫນ້ອຍລົງ - ໂດຍປົກກະຕິ ໃນເວລາທີ່ທ່ານ weld ມັນ, ສຸມໃສ່ໄຟຟ້າຫຼາຍໃນສ່ວນຂອງທີ່ຍົກຂຶ້ນມາ. ພວກເຂົາຫົດຕົວທັນທີຕໍ່ກັບໂລຫະຖານ, ໃນຂະນະທີ່ electrode ກໍາລັງກົດລົງ.
ສິ່ງນີ້ເຮັດໃຫ້ການເຊື່ອມໂລຫະທີ່ແຫນ້ນຫນາ, ແຫນ້ນທີ່ຈັບປະຕູໃນສະຖານທີ່. ພວກເຂົາເຮັດວຽກທີ່ຍິ່ງໃຫຍ່ສໍາລັບວຽກງານໂລຫະແຜ່ນ.