Screws Weld Projection ທາງລຸ່ມ
        • Screws Weld Projection ທາງລຸ່ມScrews Weld Projection ທາງລຸ່ມ
        • Screws Weld Projection ທາງລຸ່ມScrews Weld Projection ທາງລຸ່ມ
        • Screws Weld Projection ທາງລຸ່ມScrews Weld Projection ທາງລຸ່ມ

        Screws Weld Projection ທາງລຸ່ມ

        ສະກູການເຊື່ອມດ້ານລຸ່ມສາມາດເຊື່ອມໂລຫະໃສ່ພື້ນຜິວໂລຫະໄດ້. ມັນມີກະທູ້ຢູ່ດ້ານເທິງແລະສາມາດນໍາໃຊ້ສໍາລັບການເຊື່ອມຕໍ່ພາກສ່ວນ. ພວກເຂົາເຈົ້າແມ່ນເຫມາະສົມສໍາລັບເຄື່ອງຈັກຫນັກ, ໂຄງສ້າງເຫຼັກຫຼືອຸປະກອນອຸດສາຫະກໍາທີ່ຕ້ອງການການສ້ອມແຊມຢ່າງຫນັກແຫນ້ນແລະຖາວອນ. ບໍ​ລິ​ສັດ Xiaoguo® ໃຫ້​ທາງ​ເລືອກ​ທີ່​ປະ​ຕິ​ບັດ​.
        ຕົວແບບ:QC/T 598-1999

        ສົ່ງສອບຖາມ

        ລາຍ​ລະ​ອຽດ​ຜະ​ລິດ​ຕະ​ພັນ

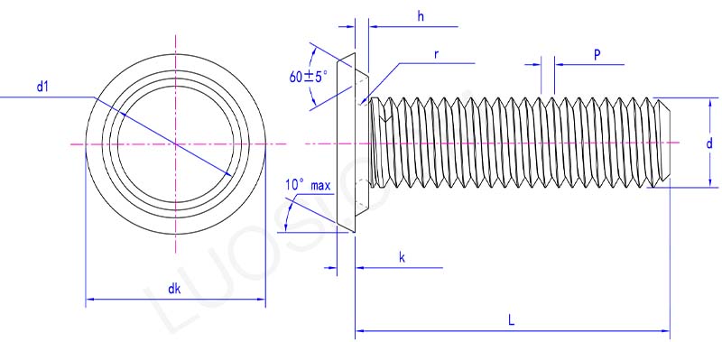
        ຫົວຂອງ screws ການເຊື່ອມໂລຫະລຸ່ມແມ່ນຮູບວົງມົນແລະມີຈຸດເຊື່ອມຂະຫນາດນ້ອຍ. ສະກູເປັນຮູບຊົງກະບອກ ແລະພື້ນຜິວຂອງມັນຖືກແກະສະຫຼັກດ້ວຍກະທູ້ປົກກະຕິ ແລະດີ. ພວກເຂົາເຈົ້າມາໃນຂະຫນາດຕ່າງໆທີ່ຈະເລືອກເອົາຈາກ.

        ຄໍາຮ້ອງສະຫມັກ

        ການເຊື່ອມສະກູການຄາດຄະເນແມ່ນໃຊ້ໃນການຕົບແຕ່ງອາຄານ. ໃນການຕົກແຕ່ງພາຍໃນ, bolts ເຫຼົ່ານີ້ຖືກນໍາໃຊ້ເພື່ອແກ້ໄຂປະຕູແລະປ່ອງຢ້ຽມ, ກະດານຕົກແຕ່ງ, joists ເພດານແລະອົງປະກອບອື່ນໆ; ໃນບາງສ່ວນເຊື່ອມຕໍ່ຂະຫນາດນ້ອຍຂອງອາຄານໂຄງສ້າງເຫຼັກ, ພວກເຂົາຍັງສາມາດຖືກນໍາໃຊ້ສໍາລັບການເຊື່ອມຕໍ່. ພວກເຂົາເຈົ້າແມ່ນສະດວກຫຼາຍ.

        bottom projection weld screws parameter

        ຈັນ
        M4 M5 M6 M8 M10 M12
        P
        0.7 0.8 1 1.25 1.5 1.75
        dk ສູງສຸດ
        11.5 12.5 14.5 19 21 24
        dk ນາທີ
        11.23 12.23 14.23 18.67 20.67 23.67
        k ສູງສຸດ
        2 2.5 2.5 3.5 4 5
        k ນ
        1.75 2.25 2.25 3.25 3.75 4.75
        r ນາທີ
        0.2 0.2 0.3 0.3 0.4 0.4
        d1 ສູງສຸດ
        8.75 9.75 10.75 14.25 16.25 18.75
        d1 ນທ
        8.5 9.5 10.5 14 16 18.5
        h ສູງສຸດ
        1.25 1.25 1.25 1.45 1.45 1.65
        h ນທ
        0.9 0.9 0.9 1.1 1.1 1.3

        screws ການເຊື່ອມໂລຫະການຄາດຄະເນດ້ານລຸ່ມຍັງຖືກນໍາໃຊ້ໃນອຸດສາຫະກໍາການຜະລິດກົນຈັກ. ພວກມັນສາມາດນໍາໃຊ້ໄດ້ກັບອຸປະກອນກົນຈັກທົ່ວໄປ, ເຊັ່ນ: ການເຊື່ອມຕໍ່ຂອງອົງປະກອບໃນເຄື່ອງຈັກຂະຫນາດນ້ອຍແລະເຄື່ອງມື, ໃຫ້ແນ່ໃຈວ່າແຕ່ລະສ່ວນຂອງເຄື່ອງຈັກຍັງຄົງຢູ່ໃນຕໍາແຫນ່ງຄົງທີ່ໃນລະຫວ່າງການປະຕິບັດງານແລະເຮັດວຽກຢ່າງຫມັ້ນຄົງ.

        screw ການເຊື່ອມ projection ນີ້ຖືກນໍາໃຊ້ໃນການປະກອບອຸປະກອນເອເລັກໂຕຣນິກ. ສໍາລັບການເຊື່ອມຕໍ່ຂອງບາງອຸປະກອນເອເລັກໂຕຣນິກແລະສະຫນັບສະຫນູນພາຍໃນທີ່ມີຄວາມຕ້ອງການສູງສໍາລັບຮູບລັກສະນະແລະຕ້ອງການຄວາມເຂັ້ມງວດທີ່ແນ່ນອນ, bolt ປະເພດນີ້ແມ່ນຂ້ອນຂ້າງເຫມາະສົມ. ມັນຮັບປະກັນການເຊື່ອມຕໍ່ທີ່ຫມັ້ນຄົງໂດຍບໍ່ມີຜົນກະທົບຕໍ່ຮູບລັກສະນະຂອງອຸປະກອນ.

        ຄຸນສົມບັດຜະລິດຕະພັນ

        screws ການເຊື່ອມໂລຫະດ້ານລຸ່ມມີພື້ນຜິວຂ້ອນຂ້າງລຽບຫຼັງຈາກການຕິດຕັ້ງ, ເຮັດໃຫ້ມັນຫນ້ອຍທີ່ຈະຂູດຄົນຫຼືວັດຖຸອື່ນໆ. ຈຸດການເຊື່ອມໂລຫະຢູ່ເທິງຫົວສາມາດຖືກນໍາໃຊ້ກ່ອນການເຊື່ອມbolt ໄດ້ກັບອົງປະກອບສະເພາະ, ອໍານວຍຄວາມສະດວກໃນການປະກອບຕໍ່ມາ. ຄວາມຖືກຕ້ອງຂອງກະທູ້ແມ່ນສູງ, ເຮັດໃຫ້ມັນສາມາດເຂົ້າກັນໄດ້ຢ່າງແຫນ້ນຫນາກັບຫມາກແຫ້ງເປືອກແຂງທີ່ກົງກັນ, ສະຫນອງຜົນກະທົບຂອງ fastening ທີ່ເຊື່ອຖືໄດ້, ແລະຮັກສາປະສິດທິພາບການເຊື່ອມຕໍ່ທີ່ດີເຖິງແມ່ນວ່າຫຼັງຈາກ disassembly ຫຼາຍແລະ reassembly.


        Hot Tags: Bottom Projection Weld Screws, ຈີນ, ຜູ້ຜະລິດ, ຜູ້ສະຫນອງ, ໂຮງງານຜະລິດ
        ປະເພດທີ່ກ່ຽວຂ້ອງ
        ສົ່ງສອບຖາມ
        ກະລຸນາຮູ້ສຶກວ່າບໍ່ເສຍຄ່າເພື່ອໃຫ້ການສອບຖາມຂອງທ່ານໃນແບບຟອມຂ້າງລຸ່ມນີ້. ພວກເຮົາຈະຕອບກັບທ່ານໃນ 24 ຊົ່ວໂມງ.
        X
        ພວກເຮົາໃຊ້ cookies ເພື່ອສະເຫນີໃຫ້ທ່ານມີປະສົບການການຊອກຫາທີ່ດີກວ່າ, ວິເຄາະການເຂົ້າຊົມເວັບໄຊທ໌ແລະປັບແຕ່ງເນື້ອຫາ. ໂດຍການນໍາໃຊ້ເວັບໄຊທ໌ນີ້, ທ່ານຕົກລົງເຫັນດີກັບການນໍາໃຊ້ cookies ຂອງພວກເຮົາ. ນະໂຍບາຍຄວາມເປັນສ່ວນຕົວ
        ປະຕິເສດ ຍອມຮັບ