Hex Flat Nut

        Hex Flat Nut

        Hex flat nut ເປັນ fastener hexagonal ທີ່ມີຫນ້າດິນແບນ, ເຊິ່ງຖືກອອກແບບມາເພື່ອແຈກຢາຍຜົນບັງຄັບໃຊ້ເທົ່າທຽມກັນແລະບໍ່ງ່າຍທີ່ຈະ loosen ພາຍໃຕ້ການສັ່ນສະເທືອນໃນເວລາທີ່ນໍາໃຊ້ກັບ bolts.Xiaoguo® ໃນພາກສະຫນາມຂອງການຄ້າຕ່າງປະເທດ, ລູກຄ້າທໍາອິດ. ໃນເວລາດຽວກັນ, ປະເພດຜະລິດຕະພັນທີ່ອຸດົມສົມບູນ, ປະຕູດຽວເພື່ອຕອບສະຫນອງການຈັດຊື້ຂອງລູກຄ້າ.
        ຕົວແບບ:ASME/ANSI B18.2.2-2-1993

        ສົ່ງສອບຖາມ

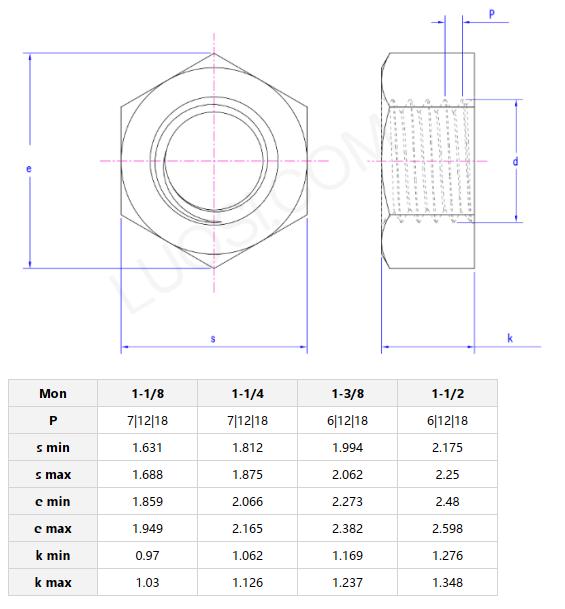
        ລາຍ​ລະ​ອຽດ​ຜະ​ລິດ​ຕະ​ພັນ


        A hex flat nut ເປັນ fastener ຫົກດ້ານທີ່ມີຫນ້າດິນແບນທີ່ອອກແບບມາເພື່ອກະຈາຍກໍາລັງ clamping ເທົ່າທຽມກັນໃນທົ່ວຂໍ້ຕໍ່ຂອງກົນຈັກ, ລົດຍົນແລະອົງປະກອບການກໍ່ສ້າງ. ບໍ່ເຫມືອນກັບແກ່ນ flange ຫຼືແກ່ນຫມາກແຫ້ງເປືອກແຂງ, ການອອກແບບຕ່ໍາຂອງຫມາກແຫ້ງເປືອກແຂງຫຼຸດຜ່ອນປະລິມານ, ເຮັດໃຫ້ພວກມັນເຫມາະສົມສໍາລັບຊ່ອງແຄບບ່ອນທີ່ພື້ນທີ່ຈໍາກັດ. ຮູບຮ່າງຫົກຫລ່ຽມຂອງມັນເຮັດໃຫ້ມັນງ່າຍທີ່ຈະແຫນ້ນ wrench ຫຼືເຕົ້າຮັບມາດຕະຖານ, ຮັບປະກັນຄວາມເຂົ້າກັນໄດ້ກັບລະບົບ bolt ທົ່ວໂລກ. ຜະລິດຕາມມາດຕະຖານ ISO 4032 (metric) ແລະ ASME B18.2.2 (imperial), hex flat nut ຮັບປະກັນ threading ຊັດເຈນແລະປະສິດທິພາບທີ່ເຊື່ອຖືໄດ້ໃນແຮງບິດສູງ. ເນື່ອງຈາກຄວາມທົນທານແລະຄວາມງ່າຍໃນການຕິດຕັ້ງ, ພວກມັນຖືກນໍາໃຊ້ຢ່າງກວ້າງຂວາງໃນກອບໂຄງສ້າງ, ທໍ່ແລະອຸປະກອນອຸດສາຫະກໍາ.



        ລາຍລະອຽດຜະລິດຕະພັນແລະຕົວກໍານົດການ

        ຫມາກແຫ້ງເປືອກແຂງ hex ຂອງພວກເຮົາໄດ້ມາດຕະຖານສາກົນ (ISO 9001, ASME B18.2.2) ແລະໄດ້ຮັບການທົດສອບຢ່າງເຂັ້ມງວດສໍາລັບຄວາມແຂງ, ຄວາມທົນທານຂອງ tensile ແລະຄວາມສົມບູນຂອງ thread. ໃບຢັ້ງຢືນການທົດສອບໂຮງງານ (mtc) ແລະການກວດກາຂອງພາກສ່ວນທີສາມ (SGS, TUV) ຮັບປະກັນການ traceability ແລະຄວາມສອດຄ່ອງຂອງຄຸນນະພາບ. ສໍາລັບຂະແຫນງການທີ່ສໍາຄັນເຊັ່ນນ້ໍາມັນ / ອາຍແກັສຫຼືການປ້ອງກັນ, hex flat nut ປະຕິບັດຕາມ API 20E ຫຼື NADCAP ສະເພາະ. ຄໍາສັ່ງທີ່ກໍາຫນົດເອງປະກອບມີເອກະສານຄົບຖ້ວນສໍາລັບການຢັ້ງຢືນວັດສະດຸແລະການກວດສອບການປະຕິບັດຕາມ, ການຮັບປະກັນຄວາມຫນ້າເຊື່ອຖືຂອງລະບົບຕ່ອງໂສ້ການສະຫນອງທົ່ວໂລກ.

        Hex Flat Nut

        Hex Flat Nut



        Hex Flat Nut

        FAQ


        Q: ຄວາມແຕກຕ່າງຕົ້ນຕໍລະຫວ່າງຫມາກແຫ້ງເປືອກແຂງ hex ແລະຫມາກແຫ້ງເປືອກແຂງໃນການຕິດຕັ້ງແມ່ນຫຍັງ?

        A: ຫມາກແຫ້ງເປືອກແຂງ hex ໄດ້ຖືກອອກແບບດ້ວຍຫົກດ້ານແລະກົງກັບ wrench, ເຊິ່ງອີງໃສ່ຮ່ອງຮາບພຽງຫຼືສີ່ຫລ່ຽມ. ໃນຂະນະທີ່ຫມາກແຫ້ງເປືອກແຂງສະຫນອງການເຂົ້າເຖິງທີ່ດີກວ່າໃນພື້ນທີ່ຈໍາກັດໂດຍໃຊ້ເຄື່ອງມືມາດຕະຖານ, ແກ່ນຫມາກແຫ້ງເປືອກແຂງປະຕິບັດໄດ້ດີໃນການປະກອບຄູ່ມືບ່ອນທີ່ການຕໍ່ຕ້ານການຫມຸນແມ່ນສໍາຄັນ. ແກ່ນຂອງທັງສອງແຈກຢາຍການໂຫຼດໄດ້ເທົ່າທຽມກັນ, ແຕ່ຫມາກແຫ້ງເປືອກແຂງ hex ແມ່ນມັກສໍາລັບເຄື່ອງຈັກຫນັກເນື່ອງຈາກການອອກແບບທີ່ເປັນມິດກັບ wrench, ໃນຂະນະທີ່ຫມາກແຫ້ງເປືອກແຂງແມ່ນເຫມາະສົມສໍາລັບຄໍາຮ້ອງສະຫມັກທີ່ມີການລ້າງຕ່ໍາໂດຍບໍ່ມີເຄື່ອງມື.



        ຕະຫຼາດຂອງພວກເຮົາ

        ຕະຫຼາດ
        ລາຍຮັບ(ປີກ່ອນ)
        ລາຍຮັບທັງໝົດ (%)
        ອາເມລິກາເຫນືອ
        ຄວາມລັບ
        20
        ອາເມລິກາໃຕ້
        ຄວາມລັບ 4
        ເອີຣົບຕາເວັນອອກ24
        ຄວາມລັບ
        24
        ອາຊີຕາເວັນອອກສ່ຽງໃຕ້
        ຄວາມລັບ
        2
        ອາຟຣິກາ
        ຄວາມລັບ
        2
        ໂອເຊຍເນຍ
        ຄວາມລັບ
        1
        ຕາເວັນອອກກາງ
        ຄວາມລັບ
        4
        ອາຊີຕາເວັນອອກ
        ຄວາມລັບ
        13
        ເອີຣົບຕາເວັນຕົກ
        ຄວາມລັບ
        18
        ອາເມລິກາກາງ
        ຄວາມລັບ
        6
        ເອີຣົບເໜືອ
        ຄວາມລັບ
        2
        ເອີຣົບໃຕ້
        ຄວາມລັບ
        1
        ອາຊີໃຕ້
        ຄວາມລັບ
        4

        ຕະຫຼາດພາຍໃນ

        ຄວາມລັບ
        5


        Hot Tags: Hex Flat Nut, ຈີນ, ຜູ້ຜະລິດ, ຜູ້ສະຫນອງ, ໂຮງງານຜະລິດ
        ປະເພດທີ່ກ່ຽວຂ້ອງ
        ສົ່ງສອບຖາມ
        ກະລຸນາຮູ້ສຶກວ່າບໍ່ເສຍຄ່າເພື່ອໃຫ້ການສອບຖາມຂອງທ່ານໃນແບບຟອມຂ້າງລຸ່ມນີ້. ພວກເຮົາຈະຕອບກັບທ່ານໃນ 24 ຊົ່ວໂມງ.
        X
        ພວກເຮົາໃຊ້ cookies ເພື່ອສະເຫນີໃຫ້ທ່ານມີປະສົບການການຊອກຫາທີ່ດີກວ່າ, ວິເຄາະການເຂົ້າຊົມເວັບໄຊທ໌ແລະປັບແຕ່ງເນື້ອຫາ. ໂດຍການນໍາໃຊ້ເວັບໄຊທ໌ນີ້, ທ່ານຕົກລົງເຫັນດີກັບການນໍາໃຊ້ cookies ຂອງພວກເຮົາ. ນະໂຍບາຍຄວາມເປັນສ່ວນຕົວ
        ປະຕິເສດ ຍອມຮັບ