ບ້ານ > ຜະລິດຕະພັນ > ຫມາກແຫ້ງໄນ > Hexagon Nut > Hexagon Thin nuts ມີ Metric Fine Pitch thread
        Hexagon Thin nuts ມີ Metric Fine Pitch thread
        • Hexagon Thin nuts ມີ Metric Fine Pitch threadHexagon Thin nuts ມີ Metric Fine Pitch thread
        • Hexagon Thin nuts ມີ Metric Fine Pitch threadHexagon Thin nuts ມີ Metric Fine Pitch thread
        • Hexagon Thin nuts ມີ Metric Fine Pitch threadHexagon Thin nuts ມີ Metric Fine Pitch thread

        Hexagon Thin nuts ມີ Metric Fine Pitch thread

        ແກ່ນໝາກຫຸ່ງທີ່ມີເສັ້ນດ້າຍອັນລະອຽດ metric ປະຕິບັດຕາມມາດຕະຖານທີ່ກ່ຽວຂ້ອງ, ມີເສັ້ນດ້າຍທີ່ລະອຽດອ່ອນ ແລະ ມີຄວາມທົນທານຕໍ່ກັບການຫຼໍ່ລື່ນກວ່າເສັ້ນຫຍາບ.Xiaoguo® ເປັນຜູ້ສະໜອງແກ່ນໝາກຖົ່ວຫົກຫຼ່ຽມທີ່ມີເສັ້ນດ້າຍຂະໜາດນ້ອຍຂະໜາດໃຫຍ່ໃນປະເທດຈີນ. ແກ່ນຂອງພວກເຮົາແມ່ນຜະລິດໄດ້ດີ.
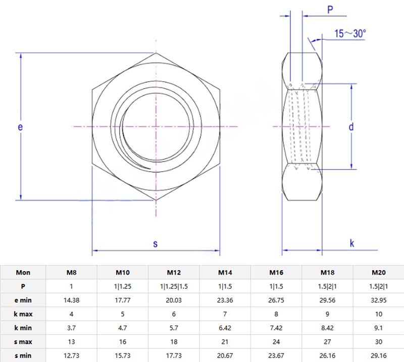
        ຕົວແບບ:ISO 8675-1999

        ສົ່ງສອບຖາມ

        ລາຍ​ລະ​ອຽດ​ຜະ​ລິດ​ຕະ​ພັນ

        ແກ່ນໝາກຖົ່ວຫົກຫຼ່ຽມມີເສັ້ນດ້າຍອັນລະອຽດ metricໃຊ້ກະທູ້ pitch ລະອຽດ, ສະເພາະກະທູ້ທີ່ໃຊ້ທົ່ວໄປແມ່ນ M6x0.75 ຫຼື M8x1.0. ເມື່ອປຽບທຽບກັບກະທູ້ pitch ຫຍາບ, ຄວາມຕ້ານທານຜົນກະທົບຂອງມັນແມ່ນເຂັ້ມແຂງກວ່າ. ວັດສະດຸແມ່ນສະແຕນເລດຫຼືທອງເຫຼືອງ.

        ລາຍລະອຽດຜະລິດຕະພັນແລະຕົວກໍານົດການ

        ແກ່ນໝາກຖົ່ວຫົກຫຼ່ຽມມີເສັ້ນດ້າຍອັນລະອຽດ metricຖືກນໍາໃຊ້ໃນອຸປະກອນເຊັ່ນ: ຫຸ່ນຍົນ (ອົງປະກອບຮ່ວມກັນ), ອຸປະກອນການແພດ (ເຄື່ອງມືຜ່າຕັດ), ແລະ optics (ຕິດກ້ອງຖ່າຍຮູບ). ຜູ້ຜະລິດເຄື່ອງໃຊ້ໄຟຟ້າໃຊ້ພວກມັນສໍາລັບແຜງວົງຈອນ, ແລະບ່ອນຈອດລົດອັດຕະໂນມັດຈະຕິດຕັ້ງພວກມັນຢູ່ໃນເຊັນເຊີຫຼືອົງປະກອບ dashboard.

        ແກ່ນໝາກຖົ່ວຫົກຫຼ່ຽມມີເສັ້ນດ້າຍອັນລະອຽດ metricມີຂໍ້ຈໍາກັດທີ່ແນ່ນອນ. ພວກມັນບໍ່ເຫມາະສົມສໍາລັບລົດເຄນ, ລົດບັນທຸກຫຼືເຫຼັກໂຄງສ້າງ. ແຕ່ສໍາລັບວຽກງານທີ່ມີຄວາມແມ່ນຍໍາ (ການແກ້ໄຂພາກສ່ວນກ້ອງຈຸລະທັດ, ສ້ອມແປງກ້ອງສ່ອງທາງໄກ, ຫຼືເຮັດເຄື່ອງມືເຄື່ອງປະດັບ), ທ່ານສາມາດເລືອກພວກມັນໄດ້. ກະທູ້ລະອຽດເຮັດໃຫ້ມັນງ່າຍຂຶ້ນສໍາລັບຄົນທີ່ຈະປັບ, ແລະມັນມີຄວາມຕ້ານທານກັບແຮງບິດຫນ້ອຍ. ກະລຸນາໃຫ້ແນ່ໃຈວ່າການກວດສອບບໍ່ວ່າຈະເປັນboltແມ່ນເຂົ້າກັນໄດ້ໃນເວລາທີ່ການນໍາໃຊ້, ເນື່ອງຈາກວ່າກະທູ້ບໍ່ໄດ້ຖືກຈັບຄູ່ໄດ້ຢ່າງງ່າຍດາຍ.

        ແກ່ນໝາກຖົ່ວຫົກຫຼ່ຽມມີເສັ້ນດ້າຍອັນລະອຽດ metricສາ​ມາດ​ເສີມ​ສ້າງ​ການ​ຮ່ວມ​ກັນ​, ແຕ່​ວ່າ​ມັນ​ຈະ​ບໍ່ clunky ແລະ unsightly​. ຫ້າມ​ຮັດ​ໝາກ​ແຫ້ງ​ເປືອກ​ແຂງ​ເກີນ​ໄປ, ຖ້າ​ແໜ້ນ​ເກີນ​ໄປ, ຮູບ​ຮ່າງ​ຂອງ​ໝາກ​ແຫ້ງ​ເປືອກ​ແຂງ​ອາດ​ຈະ​ເສຍ​ຮູບ. ເຖິງແມ່ນວ່າເຟີນີເຈີເຄື່ອນຍ້າຍເລື້ອຍໆ, ພຽງແຕ່ການຫຼຸດລົງຂອງຕົວແທນ locking thread ສາມາດຖືກນໍາໃຊ້ເພື່ອຮັບປະກັນຄວາມແຫນ້ນຫນາຂອງມັນ. ລາຄາຂອງມັນຕໍ່າ, ຄຸນນະພາບດີ, ງ່າຍຕໍ່ການຕິດຕັ້ງ.

        ຄໍາແນະນໍາກ່ຽວກັບການບໍາລຸງຮັກສາແລະການຕິດຕັ້ງ

        ທ່ານສາມາດນໍາໃຊ້ແປງອ່ອນເພື່ອເຮັດຄວາມສະອາດແກ່ນບາງໆຫົກຫຼ່ຽມທີ່ມີເສັ້ນດ້າຍອັນລະອຽດ metricເພື່ອເອົາສິ່ງເສດເຫຼືອ. ໃນລະຫວ່າງການຕິດຕັ້ງ, ວາງສາຍຢ່າງລະມັດລະວັງເພື່ອຫຼີກເວັ້ນການກະທູ້ທີ່ບໍ່ຖືກຕ້ອງ. ຖ້າການສັ່ນສະເທືອນເປັນຄວາມກັງວົນ, ຕື່ມການຫຼຸດລົງຂອງຕົວແທນລັອກກະທູ້ທີ່ມີຄວາມເຂັ້ມແຂງຕ່ໍາ. ຮັກສາພື້ນຜິວຂອງຫມາກແຫ້ງເປືອກແຂງເພື່ອປ້ອງກັນການສວມໃສ່.

        Hot Tags: Hexagon Thin nuts With Metric Fine Pitch Thread, ຈີນ, ຜູ້ຜະລິດ, ຜູ້ສະຫນອງ, ໂຮງງານຜະລິດ
        ປະເພດທີ່ກ່ຽວຂ້ອງ
        ສົ່ງສອບຖາມ
        ກະລຸນາຮູ້ສຶກວ່າບໍ່ເສຍຄ່າເພື່ອໃຫ້ການສອບຖາມຂອງທ່ານໃນແບບຟອມຂ້າງລຸ່ມນີ້. ພວກເຮົາຈະຕອບກັບທ່ານໃນ 24 ຊົ່ວໂມງ.
        X
        ພວກເຮົາໃຊ້ cookies ເພື່ອສະເຫນີໃຫ້ທ່ານມີປະສົບການການຊອກຫາທີ່ດີກວ່າ, ວິເຄາະການເຂົ້າຊົມເວັບໄຊທ໌ແລະປັບແຕ່ງເນື້ອຫາ. ໂດຍການນໍາໃຊ້ເວັບໄຊທ໌ນີ້, ທ່ານຕົກລົງເຫັນດີກັບການນໍາໃຊ້ cookies ຂອງພວກເຮົາ. ນະໂຍບາຍຄວາມເປັນສ່ວນຕົວ
        ປະຕິເສດ ຍອມຮັບ