ບ້ານ > ຜະລິດຕະພັນ > ໂບ > ຫົວກົມ > ຄວາມສາມາດສູງ Bolt ຕາ
        ຄວາມສາມາດສູງ Bolt ຕາ
        • ຄວາມສາມາດສູງ Bolt ຕາຄວາມສາມາດສູງ Bolt ຕາ
        • ຄວາມສາມາດສູງ Bolt ຕາຄວາມສາມາດສູງ Bolt ຕາ

        ຄວາມສາມາດສູງ Bolt ຕາ

        bolt ຕາທີ່ມີຄວາມສາມາດສູງແມ່ນມີຄວາມແມ່ນຍໍາທີ່ຜະລິດຈາກວັດສະດຸທີ່ມີຄວາມເຂັ້ມແຂງສູງ, ມີຄວາມສາມາດໃນການຮັບນ້ໍາຫນັກທີ່ເຂັ້ມແຂງ. ເບກຕາທີ່ມີນ້ໍາຫນັກສູງຂອງ Xiaoguo ຕອບສະຫນອງມາດຕະຖານຄວາມປອດໄພສາກົນແລະເຫມາະສົມສໍາລັບການຍົກອຸປະກອນຫນັກ, ການຕິດຕັ້ງວິສະວະກໍາ, ແລະສະຖານະການອື່ນໆ. Xiaoguo ຮັບປະກັນວ່າທຸກໆຜະລິດຕະພັນມີມາດຕະຖານຄວາມປອດໄພທີ່ເຂັ້ມງວດ.

        ສົ່ງສອບຖາມ

        ລາຍ​ລະ​ອຽດ​ຜະ​ລິດ​ຕະ​ພັນ

        ກ່ອນທີ່ທ່ານຈະຄິດກ່ຽວກັບການໃຊ້ bolt ຕາທີ່ມີຄວາມຈຸສູງ, ຈົ່ງເບິ່ງມັນໃຫ້ດີ. ກວດເບິ່ງຄວາມເສຍຫາຍທີ່ຊັດເຈນ, ເຊັ່ນ: ຮອຍແຕກ, ໂຄ້ງ, ຫຼືວ່າມັນຫມົດລົງ. ນອກຈາກນັ້ນ, ໃຫ້ແນ່ໃຈວ່າຂໍ້ມູນທັງຫມົດທີ່ຕິດຢູ່ເທິງມັນ, ໂດຍສະເພາະແມ່ນ Working Load Limit (WLL), ແມ່ນຈະແຈ້ງແລະງ່າຍຕໍ່ການອ່ານ. ຖ້າເຈົ້າບໍ່ສາມາດເຫັນມັນຢ່າງຖືກຕ້ອງ, ມັນດີກວ່າທີ່ຈະຂ້າມມັນແລະຈັບອັນອື່ນ.

        ເມື່ອທ່ານເອົາມັນເຂົ້າໄປ, ໝຸນມັນທັງໝົດເຂົ້າໄປໃນຂຸມຈົນກວ່າສ່ວນບ່າໄຫລ່ຈະຮາບພຽງ ແລະ ແໜ້ນກັບພື້ນຜິວ. ຢ່າ​ໃຊ້​ໄມ້ຄ້ອນ​ເພື່ອ​ບັງຄັບ​ມັນ—ທີ່​ສາມາດ​ເຮັດ​ໃຫ້​ສິ່ງ​ຕ່າງໆ​ສັບສົນ. ພຽງ​ແຕ່​ໃຊ້​ເຄື່ອງ​ມື​ທີ່​ເຫມາະ​ສົມ​, ເຊັ່ນ​: wrench​, ເພື່ອ​ໃຫ້​ມັນ​ແຫນ້ນ​ແລະ​ປອດ​ໄພ​.

        ສໍາລັບວິທີທີ່ທ່ານນໍາໃຊ້ການໂຫຼດ, ສະເຫມີຮັກສາມັນສອດຄ່ອງກັບຕາຂອງ bolt ໄດ້. ຢ່າດຶງໄປທາງຂ້າງຫຼືໃນບາງມຸມທີ່ແປກປະຫລາດ, ເພາະວ່າມັນສາມາດເຮັດໃຫ້ມັນລົ້ມເຫລວ. ຖ້າທ່ານໃຊ້ສາຍຕາບ່າສໍາລັບການຍົກທີ່ບໍ່ກົງຂຶ້ນ, ຮັກສາມຸມພາຍໃຕ້ 45 ອົງສາ, ແລະຈື່ໄວ້, ທ່ານຈະຕ້ອງຫຼຸດລົງ WLL ເພື່ອຄິດໄລ່ມຸມ. ນີ້ຊ່ວຍຫຼີກເວັ້ນການໂຫຼດເກີນແລະຮັກສາທຸກສິ່ງທຸກຢ່າງປອດໄພກວ່າໃນຂະນະທີ່ທ່ານເຮັດວຽກ.

        ການຫຸ້ມຫໍ່ຜະລິດຕະພັນ

        ຖ້າທ່ານພຽງແຕ່ເອົາລູກກັ້ງຕາທີ່ມີຄວາມຈຸສູງຂະຫນາດນ້ອຍຈາກຮ້ານຮາດແວ, ພວກມັນອາດຈະມາຢູ່ໃນກ່ອງກະດາດກະດາດງ່າຍດາຍ. ແຕ່ຖ້າຫາກວ່າທ່ານກໍາລັງສັ່ງເປັນຈໍານວນຫຼາຍສໍາລັບວຽກເຮັດງານທໍາຂະຫນາດໃຫຍ່ຫຼືສໍາລັບການນໍາໃຊ້ອຸດສາຫະກໍາ, ນັ້ນແມ່ນເວລາທີ່ສິ່ງທີ່ມີການປ່ຽນແປງ. ພວກມັນມັກຈະຖືກຫຸ້ມໄວ້ຢ່າງປອດໄພໃນກະເປົ໋າກະດາດທີ່ເຮັດໜ້າທີ່ໜັກແລ້ວຖືກວາງຊ້ອນກັນໃສ່ໃນພາເລດໄມ້. palletizing ນີ້ແມ່ນມາດຕະຖານທີ່ສວຍງາມເພາະວ່າມັນເຮັດໃຫ້ການຂົນສົ່ງແລະການຈັດການມີຄວາມຫມັ້ນຄົງແລະປອດໄພກວ່າສໍາລັບທຸກຄົນທີ່ກ່ຽວຂ້ອງ.

        ອີກວິທີໜຶ່ງທີ່ພົບເລື້ອຍທີ່ສຸດທີ່ທ່ານຈະເຫັນພວກມັນຖືກຫຸ້ມຫໍ່ເປັນສ່ວນບຸກຄົນ, ຫຼືເປັນກຸ່ມ, ພາຍໃນຖົງຢາງທີ່ຈະແຈ້ງກ່ອນ. ຖົງເຫຼົ່ານີ້ແມ່ນດີສໍາລັບການຮັກສາຄວາມຊຸ່ມຊື່ນແລະຂີ້ຝຸ່ນ. ຫຼັງຈາກນັ້ນ, ຖົງເຫຼົ່ານັ້ນຖືກວາງໄວ້ຢູ່ໃນກະດາດກະດາດນອກທີ່ແຂງແຮງກວ່າເພື່ອປ້ອງກັນຊັ້ນພິເສດໃນລະຫວ່າງການຂົນສົ່ງ. ດ້ວຍຄວາມຊື່ສັດ, ຈຸດຕົ້ນຕໍຂອງການຫຸ້ມຫໍ່ທັງຫມົດນີ້ແມ່ນບໍ່ເປັນ fancy; ມັນເປັນພຽງແຕ່ປະຕິບັດ. ໜ້າທີ່ອັນດຽວຂອງມັນແມ່ນເພື່ອປົກປ້ອງປະຕູຕາຈາກການເກີດຮອຍແຕກ, ເປັນສະໝຸນ, ຫຼືເສຍຫາຍໃນຂະນະທີ່ພວກມັນກຳລັງຖືກສົ່ງມາຫາທ່ານ ຫຼືນັ່ງຢູ່ໃນບ່ອນເກັບມ້ຽນ.

        ຊ່ວງຖາມ-ຕອບ

        ຄໍາຖາມ: ແມ່ນຫຍັງຄືຄວາມແຕກຕ່າງລະຫວ່າງສາຍບ່າຕາແບບປົກກະຕິ ແລະແບບບ່າ? ອັນນີ້ແຂງແຮງກວ່າ ແລະທ່ານຄວນໃຊ້ມັນສໍາລັບການຍົກມຸມ - ບໍ່ເຫມືອນກັບປະເພດປົກກະຕິ, ເຊິ່ງໃຊ້ໄດ້ພຽງແຕ່ການໂຫຼດແນວຕັ້ງຊື່.

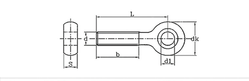
        High Capacity Eye Bolt

        ມມ
        ເສັ້ນຜ່າສູນກາງຂອງກະທູ້
        d1
        dk
        s
        M6
        5 10.5 5.4
        M8

        6

        13 7
        M10
        8 16 8.5
        M12
        10 19 10.5
        M14
        10 22 12


        Hot Tags: ຄວາມສາມາດສູງ Bolt ຕາ
        ປະເພດທີ່ກ່ຽວຂ້ອງ
        ສົ່ງສອບຖາມ
        ກະລຸນາຮູ້ສຶກວ່າບໍ່ເສຍຄ່າເພື່ອໃຫ້ການສອບຖາມຂອງທ່ານໃນແບບຟອມຂ້າງລຸ່ມນີ້. ພວກເຮົາຈະຕອບກັບທ່ານໃນ 24 ຊົ່ວໂມງ.
        X
        ພວກເຮົາໃຊ້ cookies ເພື່ອສະເຫນີໃຫ້ທ່ານມີປະສົບການການຊອກຫາທີ່ດີກວ່າ, ວິເຄາະການເຂົ້າຊົມເວັບໄຊທ໌ແລະປັບແຕ່ງເນື້ອຫາ. ໂດຍການນໍາໃຊ້ເວັບໄຊທ໌ນີ້, ທ່ານຕົກລົງເຫັນດີກັບການນໍາໃຊ້ cookies ຂອງພວກເຮົາ. ນະໂຍບາຍຄວາມເປັນສ່ວນຕົວ
        ປະຕິເສດ ຍອມຮັບ