ແກ່ນ hex scene soltedສາມາດຖືກລັອກດ້ວຍເຂັມຫຼືສາຍໄຟ, ເຊິ່ງມີຄວາມຫນ້າເຊື່ອຖືຫຼາຍໃນການປ້ອງກັນການພວນ. ຍົກຕົວຢ່າງ, ມັນເຫມາະສົມສໍາລັບການຕິດຕັ້ງ screws ລົດໄຟໃນທາງລົດໄຟແລະແກ້ໄຂສາຍພານລໍາລຽງໃນລະເບີດຝັງດິນ, ເຊິ່ງມີຄວາມສັ່ນສະເທືອນໃຫຍ່.
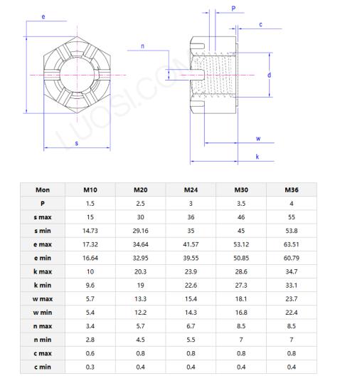
ລາຍລະອຽດຂອງຜະລິດຕະພັນແລະຕົວກໍານົດການ
ອຸປະກອນການສາມາດເປັນເຫຼັກກາກບອນທີ່ມີກາກບອນທີ່ມີສະແຕນເລດຫລູຫລາຫລູຫລາ.ແກ່ນ hex scene soltedທົນທານຕໍ່ການສີດເກືອ, ອາຊິດແລະເປັນດ່າງ, ແລະເຫມາະສົມກັບສະພາບແວດລ້ອມທີ່ເປັນຕາຫນ້າທີ່ສູງເຊັ່ນ: ທໍ່ທາງເຄມີແລະເປັນເວທີທາງຂວາງ. XiaoGoo®ໃຫ້ຕົວເລືອກການເຄືອບ Dacromet ເພື່ອຂະຫຍາຍຊີວິດການບໍລິການຂອງອຸປະກອນກາງແຈ້ງ.

ໃນເຄື່ອງຈັກຂຸດຄົ້ນບໍ່ແຮ່ແລະພາຫະນະວິສະວະກໍາ,ແກ່ນ hex scene soltedຖືກນໍາໃຊ້ເພື່ອແກ້ໄຂຂໍ້ຕໍ່ໄຮໂດຼລິກແລະຕິດຕາມໄລປະຕູ. ຫຼັງຈາກເຂັມໄດ້ຖືກໃສ່ລົງໃນຊ່ອງໂມ້, ມັນຈະບໍ່ລົ້ມຍ້ອນການສັ່ນສະເທືອນ, ຮັບປະກັນຄວາມປອດໄພໃນການດໍາເນີນງານຢ່າງຕໍ່ເນື່ອງ.
ແກ່ນ hex scene soltedມີພື້ນຖານຮາບພຽງເພື່ອປ້ອງກັນການພວນແລະຊ່ອງສຽບສໍາລັບເພີ່ມລັອກ screwdriver. ພວກມັນເຫມາະສໍາລັບໂຄງການ DIY, ຄືກັບການແກ້ໄຂລົດຖີບຫຼືຮັບປະກັນອຸປະກອນກາງແຈ້ງທີ່ປະເຊີນກັບຝົນ. ການກໍ່ສ້າງເຫຼັກຫຼືສັງຄົມທີ່ທົນທານຕໍ່ການກໍ່ການກໍ່ສ້າງ, ແລະການຂະຫຍາຍການຂະຫນາດຂອງ Metric ເຮັດວຽກກັບໄລປະຕູ. ໃຊ້ພວກມັນສໍາລັບທໍ່ລະບາຍນ້ໍາ, ເຟຣມ, ຫລືສິ່ງທີ່ຕ້ອງການວິທີແກ້ໄຂແບບທີ່ລຽບງ່າຍ, ລັອກໂດຍບໍ່ມີພາກສ່ວນພິເສດ.
| ຕະຫຼາດ | ລາຍໄດ້ (ປີທີ່ຜ່ານມາ) | ລາຍໄດ້ທັງຫມົດ (%) |
| ອາເມລິກາເຫນືອ | ເປັນຄວາມລັບ | 15 |
| ອາເມລິກາໃຕ້ | ເປັນຄວາມລັບ | 3 |
| ເອີຣົບຕາເວັນອອກ | ເປັນຄວາມລັບ | 23 |
| ອາຊີຕາເວັນອອກສ່ຽງໃຕ້ | ເປັນຄວາມລັບ | 6 |
| ກາງທິດຕາເວັນອອກ | ເປັນຄວາມລັບ | 5 |
| ອາຊີຕາເວັນອອກ | ເປັນຄວາມລັບ | 16 |
| ເອີຣົບຕາເວັນຕົກ | ເປັນຄວາມລັບ | 13 |
| ອາເມລິກາກາງ | ເປັນຄວາມລັບ | 5 |
| ເອີຣົບພາກເຫນືອ | ເປັນຄວາມລັບ | 6 |
| ອາຊີໃຕ້ | ເປັນຄວາມລັບ | 8 |
ຜົນປະໂຫຍດຂອງການເຮັດວຽກກັບພວກເຮົາ
ພວກເຮົາໄດ້ຮັບຄວາມໄວ້ວາງໃຈແລະສັນລະເສີນລູກຄ້າຫຼາຍຄົນດ້ວຍສິນຄ້າແລະການບໍລິການທີ່ມີຄຸນນະພາບສູງຂອງພວກເຮົາ. ລູກຄ້າຂອງພວກເຮົາປົກຄອງທຸກຄົນໃນຊີວິດ. ລູກຄ້າຍ້ອງຍໍຄຸນນະພາບຂອງພວກເຮົາແກ່ນ hex scene soltedຜະລິດຕະພັນ. ການເລືອກທີ່ຈະຮ່ວມມືກັບພວກເຮົາ, ທ່ານຈະແບ່ງປັນຜະລິດຕະພັນແລະການບໍລິການທີ່ມີຄຸນນະພາບສູງພ້ອມດ້ວຍວິສາຫະກິດທີ່ປະສົບຜົນສໍາເລັດຫຼາຍ.