ສາຍຕາ screws ມີ rod ກະທູ້ແລະຫົວແຫວນ. ກະທູ້ຖືກຕັດໃຫ້ເຫມາະສົມກັບພໍດີກັບແກ່ນຫຼືຮູທີ່ກະທູ້. ຫົວແຫວນຖືກສ້າງຂຶ້ນເພື່ອຈັດການກັບການດຶງຫນັກ, ເຮັດໃຫ້ມັນເຊື່ອຖືໄດ້ສໍາລັບການຍົກຫລືຮັບປະກັນການໂຫຼດ.
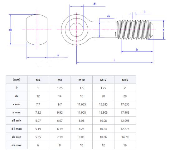
ລາຍລະອຽດຂອງຜະລິດຕະພັນແລະຕົວກໍານົດການ
ທຸກໆ screws eyebolt ໄດ້ຮັບໂດຍຜ່ານສາມຂັ້ນຕອນຕົ້ນຕໍ: ການເຮັດໃຫ້ມີຄວາມຮ້ອນໂລຫະ (ປອມ), ຕັດກະທູ້ທີ່ຊັດເຈນ, ແລະການເຄືອບສຸດທ້າຍ / ການຮັກສາ. ຂັ້ນຕອນເຫຼົ່ານີ້ຮັບປະກັນວ່າພວກເຂົາກົງກັບ QC 190 - 2012 ກົດລະບຽບສໍາລັບວັດແທກ, ຄວາມຕ້ອງການຄວາມເຂັ້ມແຂງແລະຄຸນນະພາບດ້ານ. ບໍ່ມີ Extross Fancy - ພຽງແຕ່ກວດກາແບບກົງໄປກົງມາເພື່ອກວດກາຄວາມຕ້ອງການຍາກ. ມາດຕະຖານກວມເອົາວ່າພວກເຂົາສາມາດເປັນໄດ້ໃຫຍ່ປານໃດ, ນ້ໍາຫນັກຫຼາຍປານໃດທີ່ພວກເຂົາຕ້ອງໄດ້ຮັບການແຕກ, ແລະເຮັດໃຫ້ແນ່ໃຈວ່າບໍ່ມີບ່ອນຖີ້ມຫຼືຫຍາບ. ໂດຍພື້ນຖານແລ້ວ, ຖ້າຫາກວ່າຕາອອກຈາກໂຮງງານຜະລິດລົດໄຟ, screws eyebolt ໄດ້ຖືກ hammert, machined, ສໍາເລັດຮູບ, ແລະທົດສອບເພື່ອເຮັດວຽກຕາມຈຸດປະສົງ.

ຂົນຕາ Screws ຖືກນໍາໃຊ້ໃນໂຮງງານລົດເພື່ອຍົກເຄື່ອງຈັກແລະກ່ອງເກລາບານໃນລະຫວ່າງການປະກອບ. ຢູ່ສະຖານທີ່ກໍ່ສ້າງ, ພວກເຂົາຊ່ວຍໃຫ້ສິ່ງຫນັກຫນ່ວງຊຸ່ມຄືກັບເສົາເຫຼັກຫຼືຝາອັດຊີມັງ. ການອອກແບບທີ່ລຽບງ່າຍ, ເຄັ່ງຄັດພຽງພໍສໍາລັບການຍົກທັງຫມົດປະຈໍາວັນ.
ການແຈກຢາຍຕະຫຼາດ
| ຕະຫຼາດ | ລາຍໄດ້ (ປີທີ່ຜ່ານມາ) | ລາຍໄດ້ທັງຫມົດ (%) |
| ອາເມລິກາເຫນືອ | ເປັນຄວາມລັບ | 23 |
| ອາເມລິກາໃຕ້ | ເປັນຄວາມລັບ | 6 |
| ເອີຣົບຕາເວັນອອກ | ເປັນຄວາມລັບ | 15 |
| ອາຊີຕາເວັນອອກສ່ຽງໃຕ້ | ເປັນຄວາມລັບ | 3 |
| ມະຫາສະຫມຸດ | ເປັນຄວາມລັບ | 3 |
| ກາງທິດຕາເວັນອອກ | ເປັນຄວາມລັບ | 2 |
| ອາຊີຕາເວັນອອກ | ເປັນຄວາມລັບ | 18 |
| ເອີຣົບຕາເວັນຕົກ | ເປັນຄວາມລັບ | 12 |
| ອາເມລິກາກາງ | ເປັນຄວາມລັບ | 5 |
| ອາຊີໃຕ້ | ເປັນຄວາມລັບ | 6 |
ຕະຫຼາດພາຍໃນປະເທດ | ເປັນຄວາມລັບ | 7 |
ການນໍາໃຊ້ຜະລິດຕະພັນ
ຈຸດປະສົງຕົ້ນຕໍຂອງ screws eyebolt ແມ່ນເພື່ອບັນລຸການເຊື່ອມຕໍ່ທີ່ປອດໄພແລະມີຄວາມຫມັ້ນຄົງຂອງວັດຖຸຫນັກ. ໃນການຜະລິດອຸດສາຫະກໍາ, ມັນຖືກນໍາໃຊ້ເພື່ອຍົກຊິ້ນສ່ວນກົນຈັກຂະຫນາດໃຫຍ່ເພື່ອຍົກເລີກສະຖານທີ່ສໍາລັບສະຖານທີ່ສໍາລັບການຊຸມນຸມຫຼືການບໍາລຸງຮັກສາ; ຢູ່ສະຖານທີ່ກໍ່ສ້າງຕ່າງໆ, ມັນຖືກນໍາໃຊ້ເພື່ອຍົກວັດສະດຸກໍ່ສ້າງຕ່າງໆໄປທີ່ພື້ນປຸກສ້າງ. ໃນຊີວິດປະຈໍາວັນ, ມັນຍັງສາມາດໃຊ້ເພື່ອຍົກສິ່ງຂອງຫນັກເຊັ່ນເຄື່ອງເຟີນີເຈີແລະອຸປະກອນ. ໂດຍການຮ່ວມມືກັບອຸປະກອນຍົກເຊັ່ນ: craning, screws eyebolt ກາຍເປັນຕົວເຊື່ອມຕໍ່ທີ່ສໍາຄັນເພື່ອບັນລຸການຍ້າຍຂອງສິ່ງຂອງຫນັກ.