ປະເພດ Shoulder Type ຕາ bolt grades ສໍາລັບ fastener ໄດ້ຖືກກໍານົດໂດຍຄວາມເຂັ້ມແຂງແລະມາດຕະຖານວັດສະດຸ, ທີ່ສໍາຄັນສໍາລັບການຍົກທີ່ປອດໄພ. ຊັ້ນຮຽນທົ່ວໄປປະກອບມີ 4.8, 8.8, 10.9, ແລະ 12.9 ສໍາລັບຕົວແປຂອງເຫຼັກກາກບອນ—ຕົວເລກທີ່ສູງກວ່າຫມາຍຄວາມວ່າມີຄວາມເຂັ້ມແຂງ tensile ຫຼາຍ. ຊັ້ນຮຽນທີ 4.8 ເຫມາະສົມກັບວຽກງານແສງສະຫວ່າງເຊັ່ນ DIY ເຮືອນ, ໃນຂະນະທີ່ 8.8 ເຮັດວຽກສໍາລັບການນໍາໃຊ້ອຸດສາຫະກໍາທົ່ວໄປ. ລະດັບຄວາມເຂັ້ມແຂງສູງ 10.9 ແລະ 12.9 ຈັດການການໂຫຼດຫນັກໃນການກໍ່ສ້າງຫຼືເຄື່ອງຈັກ.
ຮຸ່ນສະແຕນເລດມັກຈະປະຕິບັດຕາມຊັ້ນ A4 (316) ຫຼື A2 (304), ບູລິມະສິດການຕໍ່ຕ້ານ corrosion ສໍາລັບສະພາບແວດລ້ອມທາງທະເລ / ເຄມີ. ຊັ້ນຮຽນທີເຫຼັກໂລຫະປະສົມ forged ສະຫນອງຄວາມທົນທານດີກວ່າສໍາລັບການຍົກທີ່ສຸດ. ແຕ່ລະຊັ້ນຮຽນແມ່ນຫມາຍດ້ວຍການຈັດອັນດັບການໂຫຼດ, ຮັບປະກັນຄວາມເຂົ້າກັນໄດ້ກັບຄໍາຮ້ອງສະຫມັກທີ່ມີຈຸດປະສົງແລະປະຕິບັດຕາມຄວາມປອດໄພ.
ການຄວບຄຸມຄຸນນະພາບສຳລັບສາຍບັ້ງຕາປະເພດບ່າ ໝາຍເຖິງການກວດສອບຢ່າງລະອຽດເພື່ອໃຫ້ແນ່ໃຈວ່າມັນປອດໄພ ແລະ ເຮັດວຽກຖືກຕ້ອງ. ຂະບວນການນີ້ມັກຈະກ່ຽວຂ້ອງກັບການຮັບປະກັນວ່າຊັ້ນວັດສະດຸແມ່ນຖືກຕ້ອງ, ກວດເບິ່ງກະທູ້ເພື່ອເບິ່ງວ່າພວກມັນຖືກຕ້ອງ, ແລະແລ່ນການທົດສອບການໂຫຼດເພື່ອຢືນຢັນການຈໍາກັດການໂຫຼດຂອງການເຮັດວຽກ (WLL). ພວກເຂົາຍັງກວດເບິ່ງວ່າຂະຫນາດກົງກັບມາດຕະຖານເຊັ່ນ DIN ຫຼື ISO. ທຸກໆຊຸດຂອງ Aye bolts ຄວນຕິດຕາມໄດ້, ແລະທ່ານຈະໄດ້ຮັບໃບຢັ້ງຢືນເພື່ອພິສູດວ່າມັນກົງກັບຄວາມຕ້ອງການສໍາລັບວິທີທີ່ເຈົ້າຈະໃຊ້ມັນ.

ຄຳຖາມ: ຂ້ອຍຄວນຕິດຕັ້ງລູກກອດຕາປະເພດບ່າໃຫ້ຖືກຕ້ອງແນວໃດ?ສຳລັບລັອດມາດຕະຖານ, ໝວກມັນຕະຫຼອດທາງເຂົ້າໄປໃນຮູທີ່ແຕະ - ໃຫ້ແນ່ໃຈວ່າບ່າຕາແຕະພື້ນຜິວ. ການດຶງຢູ່ມຸມໃດນຶ່ງຈະຕັດການໂຫຼດທີ່ປອດໄພຂອງມັນທັງໝົດ, ແລະນັ້ນເປັນອັນຕະລາຍ.

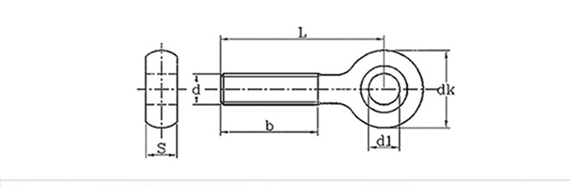
ມມ
ເສັ້ນຜ່າສູນກາງຂອງກະທູ້
d1
dk
s
M6
5
10.5
5.4
M8
6
13
7
M10
8
16
8.5
M12
10
19
10.5
M14
10
22
12