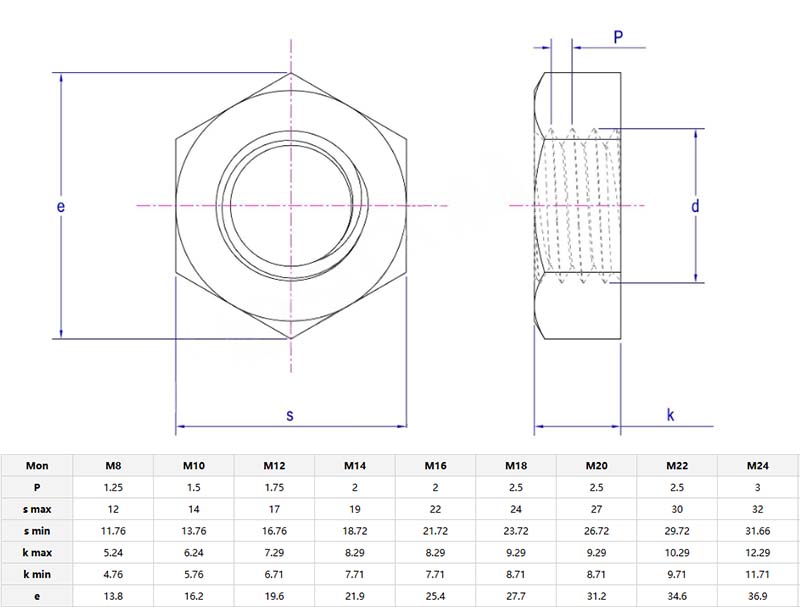
ຫມາກແຫ້ງເປືອກແຂງທີ່ມີຮູບສີ່ຫລ່ຽມດ່ຽວbevel sideband ດຽວສໍາລັບການສອດຄ່ອງງ່າຍກັບ bolts. ມັນໄດ້ຖືກຕິດຕັ້ງຢູ່ໃນພື້ນທີ່ໃກ້ຊິດແລະການອອກແບບ chamfer ຂອງມັນຫຼຸດຜ່ອນຄວາມສ່ຽງຕໍ່ການຂ້າມ thread. ປະລິມານຂອງມັນມີຂະຫນາດນ້ອຍກວ່າປະລິມານຫມາກແຫ້ງເປືອກແຂງມາດຕະຖານ, ດັ່ງນັ້ນມັນສາມາດຮັກສາອົງປະກອບທີ່ຫນາແຫນ້ນ.

ເປັນຫຍັງຫມາກແຫ້ງເປືອກແຂງທີ່ມີຮູບສີ່ຫລ່ຽມດ່ຽວ? Chamfered edge - ພາກສ່ວນ inclined ປະມານເປີດທີ່ເຮັດໃຫ້ມັນງ່າຍຂຶ້ນສໍາລັບພະນັກງານທີ່ຈະບິດໄດ້ຫມາກແຫ້ງເປືອກແຂງ. ເຖິງແມ່ນວ່າຢູ່ໃນພື້ນທີ່ໃກ້ຊິດທີ່ທ່ານບໍ່ມີຫ້ອງຫຼາຍດ້ວຍມືຫຼືເຄື່ອງມືຂອງທ່ານ, chamfer ນໍາພາຫມາກແຫ້ງເປືອກແຂງໃສ່ປະຕູໄດ້ໄວຂຶ້ນ. ບໍ່ມີຄວາມຈໍາເປັນສໍາລັບທ່ານທີ່ຈະ laboriously ສອດຄ່ອງຢ່າງສົມບູນກັບ bolt ທຸກໆຄັ້ງ; ມັນເລື່ອນໄດ້ງ່າຍຂຶ້ນ, ຊ່ວຍໃຫ້ທ່ານສາມາດເຮັດສິ່ງຕ່າງໆໄດ້ໄວ.
ຫມາກແຫ້ງເປືອກແຂງທີ່ມີຮູບສີ່ຫລ່ຽມດ່ຽວແຕກຕ່າງຈາກແກ່ນໝາກໄມ້ທຳມະດາ ເພາະມັນບາງ ແລະ ບໍ່ໃຊ້ພື້ນທີ່ຫຼາຍ. ເຖິງແມ່ນວ່າບໍ່ມີ wrench mount ທີ່ເຫມາະສົມຢູ່ໃກ້ໆ, ທ່ານສາມາດແຫນ້ນມັນດ້ວຍມືຫຼືດ້ວຍ pliers. ດັ່ງນັ້ນ, ມັນມັກຈະຖືກນໍາໃຊ້ເພື່ອສ້ອມແປງອຸປະກອນຂະຫນາດນ້ອຍ, ປັບຊິ້ນສ່ວນຂອງລົດຖີບ, ຫຼືປະກອບເຄື່ອງເຟີນີເຈີອື່ນໆ.
ຫມາກແຫ້ງເປືອກແຂງທີ່ມີຮູບສີ່ຫລ່ຽມດ່ຽວມັກຈະຖືກຕິດຕັ້ງຢູ່ໃນເຄື່ອງອີເລັກໂທຣນິກ (ແຜງວົງຈອນ, ເຊັນເຊີ), ລົດໃຫຍ່ (ແຜງຄວບຄຸມ), ແລະເຄື່ອງໃຊ້ໃນຄົວເຮືອນ. ຄົນຮັກ DIY ມັກຕິດຕັ້ງມັນໃສ່ຊຸດຕົວແບບ, ເຄື່ອງພິມ 3D ຫຼືການສ້ອມແປງ. ມັນສາມາດຖືກນໍາໃຊ້ໃນທຸກຄໍາຮ້ອງສະຫມັກທີ່ຕ້ອງການ fastening ບາງໆ, ຊັດເຈນ.

ຫມາກແຫ້ງເປືອກແຂງທີ່ມີຮູບສີ່ຫລ່ຽມດ່ຽວບໍ່ເຫມາະສົມສໍາລັບການນໍາໃຊ້ໃນອຸປະກອນຫນັກ. ສໍາລັບອຸປະກອນກົນຈັກ, ພວກເຮົາແນະນໍາໃຫ້ທ່ານໃຊ້ແກ່ນຫນາກວ່າ. ຖ້າເສັ້ນດ້າຍຕິດຢູ່, ໃຫ້ໃຊ້ແປງສາຍເພື່ອເຮັດຄວາມສະອາດພາຍໃນຫມາກແຫ້ງເປືອກແຂງ. ມັນງ່າຍທີ່ຈະໃຊ້ແຕ່ມີປະສິດທິພາບຫຼາຍ!