ບ້ານ > ຜະລິດຕະພັນ > ຫມາກແຫ້ງໄນ > Hexagon Nut > ປະເພດ 2 Single Chamfered Hexagon Nut
        ປະເພດ 2 Single Chamfered Hexagon Nut
        • ປະເພດ 2 Single Chamfered Hexagon Nutປະເພດ 2 Single Chamfered Hexagon Nut
        • ປະເພດ 2 Single Chamfered Hexagon Nutປະເພດ 2 Single Chamfered Hexagon Nut
        • ປະເພດ 2 Single Chamfered Hexagon Nutປະເພດ 2 Single Chamfered Hexagon Nut

        ປະເພດ 2 Single Chamfered Hexagon Nut

        ປະເພດ 2 ແກ່ນຫມາກແຫ້ງເປືອກແຂງດ່ຽວສາມາດຖືກນໍາໃຊ້ໃນສະພາບແວດລ້ອມທີ່ບໍ່ສາມາດນໍາໃຊ້ແກ່ນມາດຕະຖານໄດ້. ຄວາມສູງຂອງຫມາກແຫ້ງເປືອກແຂງປະເພດ 2 ແມ່ນປະມານ 10% ສູງກວ່າຂອງປະເພດ 1.When ຊື້ຈາກXiaoguo®, ພວກເຮົາຮັບປະກັນການສະຫນອງທ່ານດ້ວຍຜະລິດຕະພັນຄຸນນະພາບສູງທີ່ຕອບສະຫນອງຄວາມຕ້ອງການ fastening ຂອງທ່ານ.
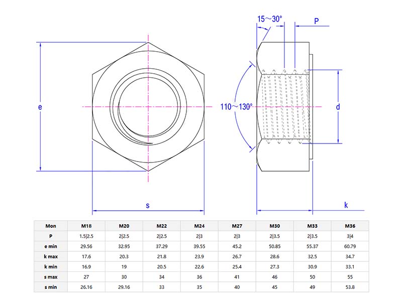
        ຕົວແບບ:JIS B1181-6-1993

        ສົ່ງສອບຖາມ

        ລາຍ​ລະ​ອຽດ​ຜະ​ລິດ​ຕະ​ພັນ

        ປະເພດ 2 ຫມາກແຫ້ງເປືອກແຂງດ່ຽວ chamfered hexagonມີຄວາມຫນາແລະແຂງແຮງກວ່າປະເພດ 1, ແລະຄວາມອາດສາມາດໂຫຼດໄດ້ສູງກວ່າຂອງປະເພດ 1, ເຮັດໃຫ້ພວກມັນເຫມາະສົມກັບການໂຫຼດຫນັກຫຼືສະຖານະການທີ່ຕ້ອງການສູງ. ປະເພດ 1 ແມ່ນເຫມາະສົມສໍາລັບວຽກເບົາ, ໃນຂະນະທີ່ປະເພດ 2 ແມ່ນເຫມາະສົມສໍາລັບເຄື່ອງຈັກຫນັກຫຼືການໂຫຼດໂຄງສ້າງ. ຢ່າງໃດກໍຕາມ, ປະເພດ 2 ແມ່ນຄ່າໃຊ້ຈ່າຍຫຼາຍແລະຫນັກກວ່າ.

        ປະເພດ 2 ຫມາກແຫ້ງເປືອກແຂງ hexagon ດ່ຽວເປັນຫມາກແຫ້ງເປືອກແຂງ hexagonal ທີ່ມີລາຄາບໍ່ແພງທີ່ຂ້ອນຂ້າງບໍ່ຮຽກຮ້ອງໃຫ້ມີການປິ່ນປົວຄວາມຮ້ອນ. ແກ່ນປະເພດ 2 ສ່ວນຫຼາຍແມ່ນໃຊ້ໃນຄໍາຮ້ອງສະຫມັກທີ່ມັກຈະຕ້ອງການການປະກອບແລະ disassembly, ເຊັ່ນ: ຍານອາວະກາດ, ຍານຍົນ, ການກໍ່ສ້າງ, ເຄື່ອງຈັກ, ແລະຄໍາຮ້ອງສະຫມັກອື່ນໆທີ່ຕ້ອງການເຊື່ອມຕໍ່ຂ້ອນຂ້າງແຂງແຮງ.

        ລາຍລະອຽດຜະລິດຕະພັນແລະຕົວກໍານົດການ

        Type 2 single chamfered hexagon nut


        ປະເພດ 2 ຫມາກແຫ້ງເປືອກແຂງ hexagon ດຽວ chamfered ແມ່ນຕິດຕັ້ງຢູ່ໃນກອບລົດບັນທຸກ, ລະບົບສາຍແອວ conveyor ຫຼືອຸປະກອນການກະສິກໍາ. ພວກເຂົາສາມາດທົນທານຕໍ່ແຮງບິດທີ່ໃຫຍ່ກວ່າ, ປ້ອງກັນບໍ່ໃຫ້ຫມາກແຫ້ງເປືອກແຂງອອກຈາກການປອກເປືອກ, ແລະ chamfer ຈະຊ່ວຍຈັດວາງສາຍປະຕູໄດ້ໄວ. ພວກເຂົາເຈົ້າແມ່ນ cumbersome ເກີນໄປສໍາລັບ shelves ຫຼືເຟີນີເຈີພື້ນຖານ.

        ເມື່ອເລືອກປະເພດ 2 ຫມາກແຫ້ງເປືອກແຂງດ່ຽວ chamfered hexagon, ຂະຫນາດ bolt ຄວນພິຈາລະນາກ່ອນ. ຈັບຄູ່ເສັ້ນຜ່າສູນກາງຂອງ thread (ເຊັ່ນ: M12, ¾ ") ແລະ pitch ( thread coarse ຫຼື thread fine). Chamfering ຈະເພີ່ມມຸມຂະຫນາດນ້ອຍຂອງກະທູ້ດ້ານຫນຶ່ງ. ໃນເວລາທີ່ tighten, ຫຼີກເວັ້ນການ misscrews threads. ຢ່າປະສົມ metric ແລະ imperial threads, ເນື່ອງຈາກວ່ານີ້ຈະທໍາລາຍ threads.

        ປະເພດ 2 ຫມາກແຫ້ງເປືອກແຂງ hexagon chamfered ດຽວສາມາດນໍາພາ bolts ໄດ້ໄວຂຶ້ນ, ດັ່ງນັ້ນການຫຼຸດຜ່ອນການ downtime ຂອງອຸປະກອນໃນການຜະລິດຈໍານວນຫລາຍ. ແກ່ນສັງກະສີຈຸ່ມຮ້ອນແມ່ນເຫມາະສົມສໍາລັບການນໍາໃຊ້ນອກ, ແຕ່ຄວນຫຼີກເວັ້ນໃນສະພາບແວດລ້ອມທີ່ມີ corrosive ບ່ອນທີ່ການເຄືອບອາດຈະຫມົດໄປ. ຫ້າມໃຊ້ແກ່ນໝາກໄມ້ຄືນໃໝ່ໃນອຸປະກອນທີ່ຖິ້ມໄວ້.


        Type 2 single chamfered hexagon nut

        ຄໍາແນະນໍາການຕິດຕັ້ງ

        ເມື່ອ​ຕິດ​ຕັ້ງ​ປະເພດ 2 ຫມາກແຫ້ງເປືອກແຂງດ່ຽວ chamfered hexagon, chamfer ປະເຊີນກັບ bolt ເພື່ອເຮັດໃຫ້ການເຊື່ອມຕໍ່ threaded smoother. ໃຊ້ wrench torque ເພື່ອແຫນ້ນມັນ. ຈົ່ງລະມັດລະວັງວ່າການເຄັ່ງຕຶງເກີນອາດຈະເຮັດໃຫ້ປະຕູເສຍຫາຍ. ມັນແນະນໍາໃຫ້ໃຊ້ bolts ຊັ້ນສູງ (ທີ່ມີລະດັບຄວາມເຂັ້ມແຂງດຽວກັນ) ແລະເຄື່ອງຊັກຜ້າແຂງໃນການປະສົມປະສານ.

        Hot Tags: ປະເພດ 2 Single Chamfered Hexagon Nut, ຈີນ, ຜູ້ຜະລິດ, ສະຫນອງ, ໂຮງງານຜະລິດ
        ປະເພດທີ່ກ່ຽວຂ້ອງ
        ສົ່ງສອບຖາມ
        ກະລຸນາຮູ້ສຶກວ່າບໍ່ເສຍຄ່າເພື່ອໃຫ້ການສອບຖາມຂອງທ່ານໃນແບບຟອມຂ້າງລຸ່ມນີ້. ພວກເຮົາຈະຕອບກັບທ່ານໃນ 24 ຊົ່ວໂມງ.
        X
        ພວກເຮົາໃຊ້ cookies ເພື່ອສະເຫນີໃຫ້ທ່ານມີປະສົບການການຊອກຫາທີ່ດີກວ່າ, ວິເຄາະການເຂົ້າຊົມເວັບໄຊທ໌ແລະປັບແຕ່ງເນື້ອຫາ. ໂດຍການນໍາໃຊ້ເວັບໄຊທ໌ນີ້, ທ່ານຕົກລົງເຫັນດີກັບການນໍາໃຊ້ cookies ຂອງພວກເຮົາ. ນະໂຍບາຍຄວາມເປັນສ່ວນຕົວ
        ປະຕິເສດ ຍອມຮັບ