ເຫຼົ່ານີ້ UN riveted stud ສໍາລັບກະດານ PCB ປົກກະຕິແລ້ວແມ່ນເຮັດຈາກໂລຫະປະສົມເຫຼັກດີ, ເຊັ່ນ: ຄາບອນຕ່ໍາຫຼືສະແຕນເລດ, ຫຼືອາລູມິນຽມ. ພວກເຂົາເຈົ້າມີຄວາມເຂັ້ມແຂງກົນຈັກແຂງແລະຖືຂຶ້ນໄດ້ດີໃນໄລຍະເວລາ.
ເຫຼັກກ້າໃຫ້ຄວາມແຮງ tensile ແລະ shear ຫຼາຍທີ່ສຸດ. ໃນທາງກົງກັນຂ້າມ, ອາລູມິນຽມເຮັດໄຟຟ້າໄດ້ດີແລະມີແສງສະຫວ່າງ.
ໂລຫະທີ່ເລືອກສໍາລັບ studs ເຫຼົ່ານີ້ຫມາຍຄວາມວ່າພວກເຂົາສາມາດຮັບມືກັບການໂຫຼດກົນຈັກຫນັກ, ຄວາມກົດດັນຈາກວົງຈອນການໃຫ້ຄວາມຮ້ອນແລະຄວາມເຢັນ, ແລະມີຄວາມເຂັ້ມແຂງຕະຫຼອດເວລາທີ່ຜະລິດຕະພັນຢູ່ໃນການນໍາໃຊ້.
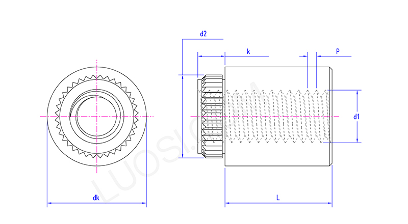
ແຜ່ນສະແຕນ riveted UN ສໍາລັບ PCB board ເປັນ fastener ຖາວອນແລະມີຄວາມເຂັ້ມແຂງສູງທີ່ໃຊ້ເພື່ອສະຫນອງຈຸດ fixation threaded ພາຍນອກທີ່ເຊື່ອຖືໄດ້ກ່ຽວກັບກະດານວົງຈອນພິມ (PCBs). ໃນທີ່ນີ້, "UN" ປົກກະຕິແລ້ວເປັນຕົວແທນຂອງ "ມາດຕະຖານແຫ່ງຊາດເອກະພາບ", ໂດຍອ້າງອີງໃສ່ມາດຕະຖານປະເພດ screw thread ມັນມີ (ເຊັ່ນ: UNC ຫຼື UNF), ເຊິ່ງຮັບປະກັນຄວາມເຂົ້າກັນໄດ້ກັບຫມາກໄມ້ມາດຕະຖານຕ່າງໆ.
ຂະບວນການຕິດຕັ້ງແມ່ນໄວແລະມີປະສິດທິພາບ. ສຽບ stud ເຂົ້າໄປໃນຂຸມກ່ອນການເຈາະຢູ່ໃນກະດານ PCB. ຫຼັງຈາກນັ້ນ, ນໍາໃຊ້ເຄື່ອງມື riveting ທີ່ອຸທິດຕົນເພື່ອ deform ປາຍຮາບພຽງຂອງ stud, ເຮັດໃຫ້ມັນຂະຫຍາຍອອກໄປຂ້າງນອກແລະແຫນ້ນແຫນ້ນແຫນ້ນແຫນ້ນລະຫວ່າງຫົວ rivet ແລະບ່າຫຼື flange ຂອງ stud, ດັ່ງນັ້ນຈຶ່ງປະກອບເປັນການເຊື່ອມຕໍ່ທີ່ເຂັ້ມແຂງແລະທົນທານຕໍ່ສັ່ນສະເທືອນໂດຍບໍ່ຈໍາເປັນຕ້ອງມີການເຊື່ອມ.
ວິທີການນີ້ແມ່ນເຫມາະສົມໂດຍສະເພາະສໍາລັບສະຖານະການທີ່ຕ້ອງການທົນທານຕໍ່ຄວາມກົດດັນກົນຈັກຂະຫນາດໃຫຍ່, ຈໍາເປັນຕ້ອງໄດ້ຮັບການດໍາເນີນການ plug-in ຫຼາຍ, ຫຼືບ່ອນທີ່ຄວາມຮ້ອນທີ່ເກີດຈາກການເຊື່ອມໂລຫະອາດຈະທໍາລາຍອົງປະກອບທີ່ລະອຽດອ່ອນ.
ເຫຼົ່ານີ້ UN riveted stud ສໍາລັບ PCB board ແມ່ນໃສ່ໃນການນໍາໃຊ້ຮູບແບບເຢັນຫຼື riveting.
ທ່ານຕິດ stud ຜ່ານຂຸມກ່ອນເຈາະໃນ PCB ໄດ້. ຫຼັງຈາກນັ້ນ, ເຄື່ອງມື riveting ພິເສດຈະງໍ shank ຂອງ stud ຕ້ານກັບຕາຍພາຍໃຕ້ກະດານ, ການສ້າງ lock ຖາວອນ, flared ທີ່ຖືມັນຢູ່ໃນສະຖານທີ່.
ວິທີການປຸງແຕ່ງເຢັນສ້າງຄວາມຮ້ອນຫນ້ອຍລົງແລະຈະບໍ່ທໍາລາຍແຜ່ນ PCB ຫຼືວົງຈອນ. ເມື່ອຕິດຕັ້ງຢ່າງຖືກຕ້ອງ, studs ສະຫນອງການແກ້ໄຂທີ່ເຂັ້ມແຂງແລະທົນທານຕໍ່ການສັ່ນສະເທືອນໂດຍບໍ່ມີການທໍາລາຍໂຄງສ້າງຂອງກະດານວົງຈອນ.

| ຕະຫຼາດ | ລາຍຮັບ(ປີກ່ອນ) | ລາຍຮັບທັງໝົດ (%) |
| ອາເມລິກາເຫນືອ | ຄວາມລັບ | 20 |
| ອາເມລິກາໃຕ້ | ຄວາມລັບ | 4 |
| ເອີຣົບຕາເວັນອອກ | ຄວາມລັບ | 24 |
| ອາຊີຕາເວັນອອກສ່ຽງໃຕ້ | ຄວາມລັບ | 2 |
| ອາຟຣິກາ | ຄວາມລັບ | 2 |
| ໂອເຊຍເນຍ | ຄວາມລັບ | 1 |
| ຕາເວັນອອກກາງ | ຄວາມລັບ | 4 |
| ອາຊີຕາເວັນອອກ | ຄວາມລັບ | 13 |
| ເອີຣົບຕາເວັນຕົກ | ຄວາມລັບ | 18 |
| ອາເມລິກາກາງ | ຄວາມລັບ | 6 |
| ເອີຣົບເໜືອ | ຄວາມລັບ | 2 |
| ເອີຣົບໃຕ້ | ຄວາມລັບ | 1 |
| ອາຊີໃຕ້ | ຄວາມລັບ | 4 |
| ຕະຫຼາດພາຍໃນ | ຄວາມລັບ | 5 |